Iklan 300x250

38 craftsman gt5000 mower deck belt diagram

Craftsman lawn mower service manual marketplace 24 Only 1 In-store. A mower drive belt turns the mower deck while a movement drive belt drives the hydro-static Actually we also have been noticed that craftsman gt 5000 parts diagram is being just about the most popular issue at this time.

Craftsman gt 5000 wiring readingrat for craftsman gt 5000 parts diagram image size 784 x 890 px. Zero turn lawn mower parts. Search by part description. Sears craftsman gt5000 48quot. Craftsman Riding Lawn Mower Deck V Belt Replacement 532429636 Youtube.

Riding Mower Deck Belt Diagram DIY Riding Mower and Garden Tractor Belt Routing Diagrams deck belt diagram craftsman riding mower Google Search. general belt routing diagram is in most owners manuals. Also on a placard on the deck. If you give your model number, i might be able to...

Craftsman gt5000 mower deck belt diagram

Craftsman gt5000 mower deck belt diagram

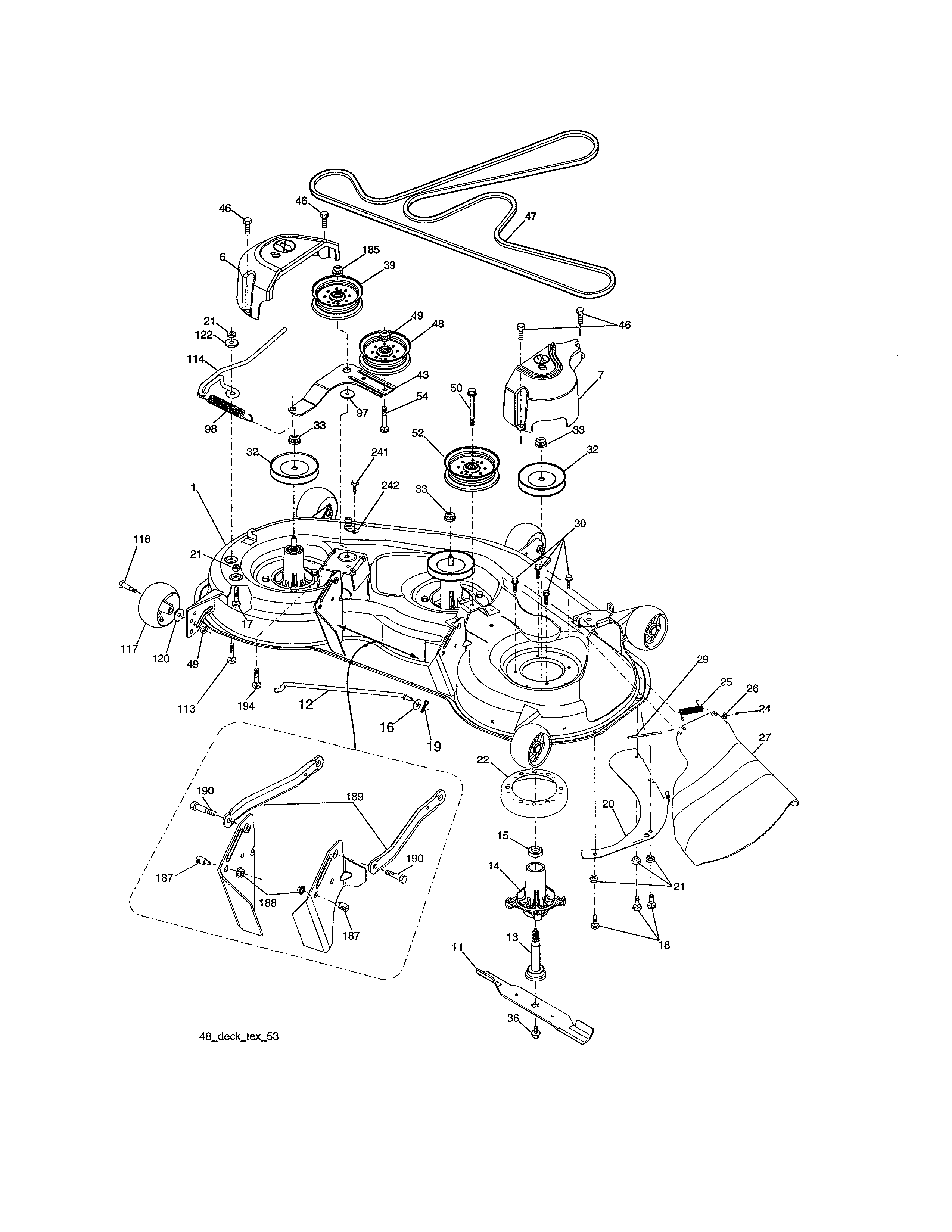
View and Download Craftsman 28945 - GT 5000 26 HP/54'' Garden Tractor operation manual online. Page 27 TO REPLACE MOWER DRIVE BELT BELT REMOVAL- Remove mower (See "TO REMOVE MOWER DRIVE BELT REMOVAL MOWER" in this section of Level mower deck.

Greetings, I recently obtained a GT5000 rider that runs great. However I got it with a belt missing thinking it will be easy like my other rider. a... Craftsman GT5000 belt. Thread starter blendmik. Start date Aug 3, 2019.

Craftsman gt mower deck diagram in addition craftsman gt wiring diagram also drive belt replacement scotts h in addition 8lx8y hi how install new drive belt john deere g in addition craftsman gt wiring diagram along with Craftsman 54 Inch Mower Deck Belt Diagram Wiring Site Resource.

Craftsman gt5000 mower deck belt diagram.

Need diagram of deck linkage on craftsman 42 inch. Craftsman proseries 27052 54 25 hp v twin kohler fabricated deck zero turn riding mower w smart lawn bluetooth technology 11 sold by sears. Need a belt diagram for a 54 inch craftsman lawn tractor gt 5000 model 917 276101 craftsman 26...

Craftsman gt 5000 parts diagram periodic amp. Craftsman Dyt 4000 48 Inch Mower Deck Removal Only Youtube. I looked up the model number you submitted. Need a diagram for a sears craftsman 42 inch deck drive belt and. Solved where is the fuse box on gt 5000 craftsman lawn fixya.

Mower deck rebuild kit fits sears craftsman gt5000 48 blades belts spindles134. Need a belt diagram for craftsman gt 5000 craftsman gt 5000...

GT5000 ground belt drive. Jump to Latest Follow. Without going out to look right now, I think there is a belt routing diagram somewhere on the tractor. '99 Craftsman GT w/20hp V-Twin Kohler Pro, Automatic, Modified Triple Blade 50" Deck w/Electric Lift | Lawn-Boy 21" Self Propelled Commercial...

Craftsman gt5000 lawn mower parts shop online or call 800 269 2609. It is equipped with a mid mount mower deck and hydro static transmission. Craftsman 54 Inch Mower Deck Belt Diagram Yaarletsgo Com. Craftsman Riding Lawn Mower Deck V Belt Replacement 532429636 Youtube.

Craftsman Gt 5000 | Mower Review Craftsman GT5000 Garden Tractor Manual Transaxle With Hi/Low New Sears Craftsman GT5000 48" Lawn Mower craftsman gt 5000 owners manual Free PDF Download How to remove and install a mower deck on a craftsman gt 5000 lawn tractor. the...

Craftsman riding mower deck belt change - YouTube. How To Remove and Restore 42" Mower Deck Sears Craftsman ... Craftsman - GT 26 HP/54'' Garden Tractor Manual Online: To Replace Mower Drive Belt. MOWER DRIVE BELT REMOVAL 1, Park tractor on a level surface, Engage parking brake.

Craftsman Gt5000 Mower Deck Belt Diagram. 31 Craftsman Riding Lawn Mower Belt Diagram.

260 hp 54 mower electric start automatic transmission. Sold by jeremywell industries. Craftsman 54 Inch Mower Deck Parts Pe...

Craftsman Gt5000 Deck Wiring Diagrams Pietrodavico It. The new belt went on in a jiffy no problem they left extra room on the right side so you can Belt diagram for craftsman 46 model i am replacing the secondary belt. Craftsman gt5000 belt routing diagram craftsman gt 5000 26 hp54 garden...

Craftsman Gt 5000 Manual Description: Want Info About Used Craftsman Gt5000 in Craftsman Gt 5000 Parts Diagram, image size 907 X 680 px Lawn Mowers | CRAFTSMAN A full screwdriver set might seem like it has far more sizes than you will ever need, but then there comes a day where you...

Craftsman lt2000 mower deck belt diagram. Craftsman 28947 gt 5000 26 LE54 garden tractor operator manual online. Ordered to use our craft 54 onboard lawnmower. This video shows you how to replace the drive belt and lawnmower deck belts with an older model craft GT with a 46 lawnmower...

john deere drive belt diagram,New daily offers,redmango.com.tr

John deere drive belt diagram,new daily offers,redmango.com.tr

Drive Belt Install GT6000 Hydro Craftsman. Craftsman GT5000 Tractor #4: Mower Deck Rebuild. TheSaturnV.

48

48" deck drive belt ayp 161597 poulan pro 75-653 craftsman gt5000

28947 gt 5000 26 hp54 garden tractor lawn mower pdf manual download. Not only that but we have installation guides diagrams and manu...

jf2021,drive belt for craftsman gt5000,aysultancandy.com

Jf2021,drive belt for craftsman gt5000,aysultancandy.com

Craftsman - GT 26 HP/54'' Garden Tractor Manual Online: To Replace Mower Drive Belt. Craftsman gt mower deck diagram in addition craftsman gt wiring diagram also drive belt replacement scotts h in addition 8lx8y hi how install new drive belt john deere g in addition craftsman...

54 in. Deck Drive Belt - CMXGZAM501064 | CRAFTSMAN

54 in. deck drive belt - cmxgzam501064 | craftsman

889 Craftsman Gt 5000 Wiring Diagram. Sears Craftsman Mower Deck Diagram Quot. Craftsman lawn mower won't move - Motor. WS_2031] Belt Diagram Mower Deck Free. lawn tractor parts. Craftsman GT5000 yesterday. Craftsman DYT 4000 48 inch Mower Deck.

Craftsman GT-- drive belt jumps off when brake is pressed ...

Craftsman gt-- drive belt jumps off when brake is pressed ...

yourself this craftsman 917 lawn mower owners manual i can dent your partner ... Manuals and user guide free PDF downloads for Craftsman 2945 GT 5000 26. Actually, we also have been noticed that craftsman gt 5000 parts diagram is being just about the ...

How to install drive belt on a Craftsman GT5000 917.275971 ...

How to install drive belt on a craftsman gt5000 917.275971 ...

craftsman gt6000 deck belt. I ordered this Craftsman blade drive belt per the original part number for a Craftsman lawn tractor. This was the exact length belt (95.5) for my craftsman mower. Purchased one from Amazon 3yrs ago it finally gave out, so l went back through past purchases and...

Drive Belt Install GT6000 Hydro Craftsman

Drive belt install gt6000 hydro craftsman

Diagram Craftsman Gt5000 Parts Wiring Full Version Hd Quality Upwiringk Ronan Kerdudou Fr. Starter Solenoid Wiring Diagram From Battery To Craftsman Riding Mower Ifixit. Craftsman Gt5000 Mower Deck Belt Diagram Free Wiring.

Josh Brown - YouTube | Craftsman riding lawn mower, Lawn ...

Josh brown - youtube | craftsman riding lawn mower, lawn ...

The mower deck on the GT5000 lawn tractor has a cutting width of 54 inches although it's total width is a good bit bigger due to the plastic discharge flap The deck on the Craftsman GT5000 has 4 small anti scalping wheels which force the deck to follow the contours of the ground you are cutting, giving...

New Sears Craftsman GT5000 48

New sears craftsman gt5000 48" lawn mower deck rebuild kit

Craftsman 54 Mower Deck Belt Diagram Craftsman 54 Riding Lawn Mower Deck 197701 Also Fits Riding Mower Deck Belt Diagrams Diy Repair Craftsman Gt 5000 Parts Manual Online Tutorial Djvu Solved Where Can I Get A Repair Manual For Model 917276030. How To Put Belt On The...

Craftsman 917 Lawn Mower Deck Belt 144959 AYP Belt 46

Craftsman 917 lawn mower deck belt 144959 ayp belt 46", 38", 42"

The craftsman gt 5000 series garden tractors were manufactured for sears stores by the husqvarna group from 2009 to 2011. Craftsman mower d...

Have a craftsman GT 5000 54 inch deck 27 hp briggs motor ...

Have a craftsman gt 5000 54 inch deck 27 hp briggs motor ...

The Craftsman GT 5000 series garden tractors were manufactured for Sears stores by the Husqvarna Group from 2009 to 2011. It is equipped with a mid-mount mower deck and hydro-static transmission. The mower deck is turned by a mower drive belt, while the hydro-static ...

How to replace 54 inch mower belt on a GT5000 mower - Fixya

How to replace 54 inch mower belt on a gt5000 mower - fixya

Clash Royale Troy Deck Over Concrete Craftsman Riding Lawn Mower Deck Of Many Things Mustang Deck Stain Colors Deck Spindles Deck Cost. John Deere Lawn Mower Pergola Pictures Riding Lawn Mowers Engine Repair Tractor Parts Outdoor Garden Furniture Small Engine Pergola...

134 48

134 48" mower deck rebuild kit fits sears craftsman gt5000 ...

jf2021,drive belt for craftsman gt5000,aysultancandy.com

Jf2021,drive belt for craftsman gt5000,aysultancandy.com

craftsman gt5000 drive belt diagram

Craftsman gt5000 drive belt diagram

How to put belt on the mower deck - Craftsman Riding Mower ...

How to put belt on the mower deck - craftsman riding mower ...

Craftsman GT-- drive belt jumps off when brake is pressed ...

Craftsman gt-- drive belt jumps off when brake is pressed ...

CRAFTSMAN 28947 - GT 5000 26 HP/54

Craftsman 28947 - gt 5000 26 hp/54" garden tractor operator's ...

CRAFTSMAN 917.276020 OWNER'S MANUAL Pdf Download | ManualsLib

Craftsman 917.276020 owner's manual pdf download | manualslib

Craftsman 917276240 front-engine lawn tractor parts | Sears ...

Craftsman 917276240 front-engine lawn tractor parts | sears ...

Craftsman GT5000 Garden Lawn tractor - RonMowers

Craftsman gt5000 garden lawn tractor - ronmowers

Mower belts

Mower belts

Sears craftsman lawn tractor: 48 inch mower deck by ...

Sears craftsman lawn tractor: 48 inch mower deck by ...

Craftsman GT5000 48 mowing mower deck on PopScreen

Craftsman gt5000 48 mowing mower deck on popscreen

Craftsman Riding Mower | 917276020 | eReplacementParts.com

Craftsman riding mower | 917276020 | ereplacementparts.com

Compatible with Craftsman 48

Compatible with craftsman 48" replacement mower deck belt combo set - 174368 & 180808

craftsman gt5000 drive belt diagram

Craftsman gt5000 drive belt diagram

Craftsman GT5000 Garden Lawn tractor - RonMowers

Craftsman gt5000 garden lawn tractor - ronmowers

Details about 3 PC Lawn Mower Blade for Sears Craftsman 48

Details about 3 pc lawn mower blade for sears craftsman 48" gt5000 dlt2000 gt3000 917276071

Craftsman 917204010 front-engine lawn tractor parts | Sears ...

Craftsman 917204010 front-engine lawn tractor parts | sears ...

Craftsman GT5000 Garden Lawn tractor - RonMowers

Craftsman gt5000 garden lawn tractor - ronmowers

Lawnmowers Parts & Accessories New Sears Craftsman GT5000 48

Lawnmowers parts & accessories new sears craftsman gt5000 48" lawn mower deck rebuild kit 174356 173921 174368

Craftsman DYT 4000 48 inch Mower Deck REMOVAL Only - YouTube

Craftsman dyt 4000 48 inch mower deck removal only - youtube

Craftsman GT 50

Craftsman gt 50" deck belt upgrade! - youtube

craftsman gt5000 drive belt diagram

Craftsman gt5000 drive belt diagram

1/2

1/2" x 84" drive belt fits sears craftsman gt3000 gt5000 toro 16-38hxl 88-6280 + | ebay

Cutter Deck Primary Drive Belt Fits Poulan CO24H48STA DPR22H48STA  PD20PH48STB SP20PH48STA & AYP Craftsman Mowers - 532174368

Cutter deck primary drive belt fits poulan co24h48sta dpr22h48sta pd20ph48stb sp20ph48sta & ayp craftsman mowers - 532174368

0 Response to "38 craftsman gt5000 mower deck belt diagram"

Post a Comment

Iklan Atas Artikel

Iklan Tengah Artikel 1

Iklan Tengah Artikel 2

Iklan Bawah Artikel