39 pt cruiser wiring diagram pdf
Need horn wiring diagram for pt cruiser. I have a Chrysler PT cruiser L engine, gets a P low voltage code on the TCM and on PCM/ECM/ECU. View and Download Chrysler PT Cruiser service & repair manual online. PT Cruiser Automobile pdf manual download. Jan 22, · I require a wiring diagram and an airconditioner wiring diagram for a PT Cruiser GT. Chrysler Wiring Diagrams. All wiring diagrams posted on the site are collected from free sources and are intended solely for informational purposes. EWD Dodge Caravan, Plymouth Voyager, Chrysler Town, Country since 1996-2005 of release. Electroschemes Chrysler Voyager, Dodge_caravan since 2001-2007 of release.
Toyota Pick-ups, Land Cruiser, and 4Runner 1997-00 Wiring Diagrams Repair Guide. Find out how to access AutoZone's Wiring Diagrams Repair Guide for Toyota Pick-ups, Land Cruiser, and 4 Runner 1997-00. Read More . Kia Sephia, Rio, Spectra, Optima 1998-2006 Wiring Diagrams Repair Guide.

Pt cruiser wiring diagram pdf
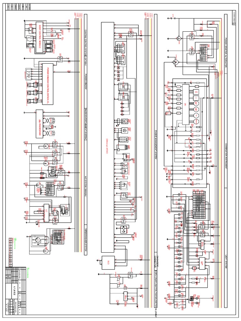
Pt Cruiser Wiring Diagram– wiring diagram is a simplified tolerable pictorial representation of an electrical circuit.It shows the components of the circuit as simplified shapes, and the knack and signal connections amid the devices. A wiring diagram usually gives information about the relative slope and pact of devices and terminals on the devices, to help in building or servicing the device. Dec 04, 2017 · All wiring diagrams for chrysler pt cruiser 2003 cars a c diagram 2005 support instrument cer touring 2001 system transmission i require and an airconditioner 2006 gt don 2007 2002 cooling site resource 2004 electrical service manual fog lights factory there or kit fan work repair pdf manualslib have need motor possibly anti theft we put ipod aux… Read More » pt cruiser (pt) 2009–2003 2.4l 05093508aa sebring convertible (jx) 1999 2.4l 05269705ab 2000–1996 2.4l 05093508aa sebring, stratus sedan (jr) 2006–2005 2.7l 04609089ah 2006–2003 2.4l 05093508aa 2004 2.7l 04609089ag 2004–2001 2.7l 04609089ah 2003–2002 2.7l 04609089af 2001 2.7l 05016736aa model year engine size/ description part number
Pt cruiser wiring diagram pdf. 2005-chrysler-pt-cruiser-wiring-diagrams 1/1 PDF Drive - Search and download PDF files for free. 2005 Chrysler Pt Cruiser Wiring Diagrams [DOC] 2005 Chrysler Pt Cruiser Wiring Diagrams As recognized, adventure as with ease as experience about lesson, amusement, as without difficulty as pact can be gotten by just checking out a 2003 Chrysler RG 2.5L Voyager Service Manual Supplement PDF. 2004 Chrysler PL SRT-4 and Neon Technical Publications PDF. 2008 Chrysler Pacifica Owner’s Manual. 2011-2014 Chrysler Minivan Service Manual. Chrysler 160 160-G.T. 180 Workshop Manual PDF. Chrysler Conquest 1988 Engine, Chassis, Body Service Manual PDF. Chrysler Car Pdf Manual Wiring Diagram Fault Codes Dtc. All wiring diagrams for chrysler pt an airconditioner diagram f10 anciens et rĂ©unions transmission cruiser gt work service repair no crank start product car pdf manual 2004 2005 2006 z1 harness full cooling fan intermittent limp mode 22 ac downstream o2 sensor connector output location of a fuel shut off toyota land 2007 300 radio ... Wiring Diagram Chrysler PT Cruiser (2001 - 2010) - Replace the alternator How To Set Timing Marks \u0026 Belt Removal 2001-2010 Chrysler PT Cruiser How to Remove and Replace a Starter - Chrysler PT Cruiser 2.4L How to replace remove transmission in a 2001-2010 pt cruiser Deze PT Cruiser heeft een ernstig probleem Chrysler Pt Cruiser Repair Manual
wiring-diagram-chrysler-pt-cruiser 1/1 PDF Drive - Search and download PDF files for free. Wiring Diagram Chrysler Pt Cruiser [eBooks] Wiring Diagram Chrysler Pt Cruiser This is likewise one of the factors by obtaining the soft documents of this Wiring Diagram Chrysler Pt Cruiser by online. You might not require Download free 2002 Chrysler PT Cruiser Wiring Diagram pdf - This 2002 Chrysler PT Cruiser Wiring Diagram covered; A/C Circuit, Anti-lock Brake Circuits, Anti-theft Circuit, Computer Data Lines, Cooling Fan Circuit, Cruise Control Circuit, Defogger Circuit, 2.4L, Engine Performance Circuits, Back-up Lamps Circuit, Exterior Lamps Circuit, Ground Distribution Circuit, Ground Distribution Circuit ... pt cruiser (pt) 2009–2003 2.4l 05093508aa sebring convertible (jx) 1999 2.4l 05269705ab 2000–1996 2.4l 05093508aa sebring, stratus sedan (jr) 2006–2005 2.7l 04609089ah 2006–2003 2.4l 05093508aa 2004 2.7l 04609089ag 2004–2001 2.7l 04609089ah 2003–2002 2.7l 04609089af 2001 2.7l 05016736aa model year engine size/ description part number Dec 04, 2017 · All wiring diagrams for chrysler pt cruiser 2003 cars a c diagram 2005 support instrument cer touring 2001 system transmission i require and an airconditioner 2006 gt don 2007 2002 cooling site resource 2004 electrical service manual fog lights factory there or kit fan work repair pdf manualslib have need motor possibly anti theft we put ipod aux… Read More »
Pt Cruiser Wiring Diagram– wiring diagram is a simplified tolerable pictorial representation of an electrical circuit.It shows the components of the circuit as simplified shapes, and the knack and signal connections amid the devices. A wiring diagram usually gives information about the relative slope and pact of devices and terminals on the devices, to help in building or servicing the device.
0 Response to "39 pt cruiser wiring diagram pdf"
Post a Comment