39 troy bilt riding lawn mower parts diagram
Troy Bilt Bronco Riding Mower Deck Diagram. Jack Jacobs September 7, 2021. ... Troy Bilt Lawn Mower Deck Diagram. ... Troy Bilt Mower Deck Parts Diagram. Troy Bilt Pony Riding Mower Belt Diagram. Troy Bilt Riding Mower Drive Belt Diagram. 50 Inch Troy Bilt Mower Deck Belt Diagram. Lookup Parts by Diagram. Use our parts diagram tool below to find the parts you need for your machine. Select the model and year, then browse the parts diagrams to find the right part. Add to cart when you're ready to purchase and we'll ship it to you as soon as possible! Financing Now Available for Online Purchases.*. Learn More.
Troy Bilt Parts available online from Lawn Mower Pros. We carry a large selection of Troy Bilt Lawn Mower Repair Parts ready to ship direct to your door. If you do not see the Troy Bilt Lawn Mower Parts you need, please complete the Lawn Mower Parts Request Form and we will be happy to assist you. Troy-Bilt Illustrated Parts Diagrams. Troy-Bilt.

Troy bilt riding lawn mower parts diagram
Explore Service & Parts. Troy-Bilt parts give you a genuine advantage: the confidence of using parts specifically designed for a exact fit, optimal performance and maximum safety. These are the only parts with the in-depth engineering and rigid testing that assures long-lasting quality. Part Finder. Shop Parts. Troy-Bilt riding mowers give you the power to care for your yard easily and efficiently. We make it easy for you to keep your riding mower performing at peak condition with genuine riding lawn mower parts for all our brands. Browse our wide selection to find what you're looking for. If you already know the part or model number, use our Part ... Find parts for your Bronco Troy-Bilt Riding Lawn Mower . Parts diagrams and manuals available. Free shipping on parts orders over $45.
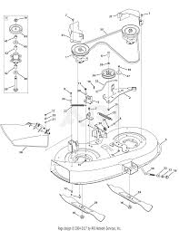
Troy bilt riding lawn mower parts diagram. Troy-Bilt Riding Mowers parts with OEM Troy-Bilt parts diagrams to find Troy-Bilt Riding Mowers repair parts quickly and easily Order Status Customer Support 512-288-4355 My Account Login to your PartsTree.com to view your saved list of equipment. Wiring Diagram for Troy Bilt Riding Mower. Wiring Diagram for Troy Bilt Riding Mower - wiring diagram is a simplified pleasing pictorial representation of an electrical circuit. It shows the components of the circuit as simplified shapes, and the gift and signal links in the company of the devices. A wiring diagram usually gives guidance just ... These popular lawn tractor accessories work well together to create an aesthetically pleasing lawn. Whether you need a double or triple-bagger to manage your lawn, we have exactly what you're looking for. Shop mower baggers and mulching kits from MTD Parts to find what you need for your Riding Lawn Mower, RZT or Walk Behind Lawn Mower today. The Troy Bilt Pony 42 deck belt is designed to connect the crankshaft to the lawn mower blade and cause them to turn. If you notice a problem with your mower blades or the deck belt, you might need the setup diagram to help you put things in order. In this piece, you will find the Troy Bilt Pony 42 Deck Belt Diagram as well as a helpful guide ...
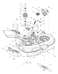
The following troy bilt lawn tractor wiring diagram graphic have been authored. Youll be able to get this amazing pic for your laptop, netbook or desktop computer. Wiring diagram for troy bilt riding mower model 13an779g766. You also could save this post to you favourite bookmarking sites. Displaying Wiring Diagram parts for the Troy-Bilt ... Yes, printed Troy-Bilt Operator's Manuals, Illustrated Parts Lists and Troy-Bilt / MTD Engine Manuals are available for purchase. The price for a pre-printed manual is typically less than $20+s/h, but can range up to $45+s/h for larger documents. Find parts for your Pony Troy-Bilt Riding Lawn Mower . Parts diagrams and manuals available. Free shipping on parts orders over $45. Troy Bilt 13WX78KS Bronco () Drive & Transmission Parts Diagram . PLUG DECK HOLE 7/8 $ 36 A Upper Drive Belt. Troy Bilt 13WX78KS Bronco () Mower Deck Inch Exploded View parts lookup by model. Complete exploded views of all the major manufacturers. This is how you remove and change the deck belt on your Troy-Bilt riding lawn mower.
Browse a selection of single and two-stage machines from Troy-Bilt, Remington, Yard Machines and MTD Pro. Models with 123cc, 179cc, 208cc and 243cc engines. Troy Bilt 13040 18hp Hydro Garden Tractor S N 130400100101 Wiring Diagram. Troy bilt 13wx78ks011 bronco 2011 lawn tractors tb 46 automatic 13yx79kt211 horse xp 2018 13a279ks066 super 13103 13 5hp ltx hydro 13wv78ks011 13101 16hp gtx garden 13076 20hp 12088 opc 7 8hp 13an689g766 pony 2004 parts 17afcacp011 mustang 50 13b226jd066 tb30 tb30r i have a n779 tractor 13yx79kt011 can wire wiring ... Find parts for your TB30 R Troy-Bilt Riding Lawn Mower . Parts diagrams and manuals available. Free shipping on parts orders over $45. Troy-Bilt repair parts and parts diagrams for Troy-Bilt 13AN779G766 - Troy-Bilt Pony Lawn Tractor (2005) Order Status Customer Support 512-288-4355 My Account Login to your PartsTree.com to view your saved list of equipment.
Find parts for your TB46 Troy-Bilt Riding Lawn Mower. Parts diagrams and manuals available. Free shipping on parts orders over $45.
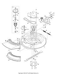
Troy Bilt 13CC26JD011 TB30R (2015) TB30R Neighborhood Rider 13CC26JD011 (2015) Parts Diagram for Mower Deck 30-Inch
Find parts for your Pony 42 Troy-Bilt Riding Lawn Mower. Parts diagrams and manuals available. Free shipping on parts orders over $45.
What are some types of Troy-Bilt lawn mower parts? Engine parts: Parts such as gaskets, seals, and hoses are available, as well as fuel tanks, carburetors, or entire engines for your Troy-Bilt equipment. You can also choose transmission and drivetrain parts, brakes, pedals, or a steering wheel for your model of Troy-Bilt lawn mower.
Carburetor Carb Kit Fits for 42"Troy Bilt Pony riding mower replacement for Briggs & Stratton 17.5 I/C OHV Engin Lawn Mower Tractor Tune-Up Kit 4.6 out of 5 stars 188 $20.45 $ 20 . 45
Troy-Bilt repair parts and parts diagrams for Troy-Bilt 13CX79KT011 - Troy-Bilt Horse XP Lawn Tractor (2016) Order Status Customer Support 512-288-4355 My Account Login to your PartsTree.com to view your saved list of equipment.
Find parts for your Super Bronco 54 Troy-Bilt Riding Lawn Mower . Parts diagrams and manuals available. Free shipping on parts orders over $45.
Troy-Bilt Lawn & Garden Tractors parts with OEM Troy-Bilt parts diagrams to find Troy-Bilt Lawn & Garden Tractors repair parts quickly and easily Order Status Customer Support 512-288-4355 My Account Login to your PartsTree.com to view your saved list of equipment.
Troy Bilt 13076 20hp Hydro Garden Tractor S N 130760100101 Parts Diagram For Wiring. Troy Bilt Pony 42 Drive Belt Diagram Cheap Online. Pony 42x Riding Lawn Mower 13a877bs066 Troy Bilt Us. Troy bilt 13wm77ks211 pony 2018 parts 13wn77ks011 lawn tractors tb 46 automatic horse xp 13103 13 5hp ltx hydro 13a279ks066 super bronco operator s manual ...
Troy-Bilt Rear-Engine Riding Mowers parts with OEM Troy-Bilt parts diagrams to find Troy-Bilt Rear-Engine Riding Mowers repair parts quickly and easily. Order Status Customer Support 512-288-4355 My Account. Login to your PartsTree.com to view your saved list of equipment.
Find parts for your Troy-Bilt Riding Lawn Mower Model 13AK92KK563. Parts diagrams and manuals available. Free shipping on parts orders over $45.
Explore Service & Parts. Troy-Bilt parts give you a genuine advantage: the confidence of using parts specifically designed for a exact fit, optimal performance and maximum safety. These are the only parts with the in-depth engineering and rigid testing that assures long-lasting quality. Part Finder. Shop Parts.
Troy-Bilt Lawn Mower parts that fit, straight from the manufacturer. Use our interactive diagrams, accessories, and expert repair help to fix your Troy-Bilt Lawn Mower . 877-346-4814. Departments Accessories Appliance Parts Exercise ...
Troy-Bilt Mower Deck Assemblies parts with OEM Troy-Bilt parts diagrams to find Troy-Bilt Mower Deck Assemblies repair parts quickly and easily Order Status Customer Support 512-288-4355 My Account Login to your PartsTree.com to view your saved list of equipment.
Troy-Bilt Bronco 42 in. 19 HP Briggs and Stratton Engine Automatic Drive Gas Riding Lawn Mower-Bronco 42 - The Home Depot
Find parts for your Bronco Troy-Bilt Riding Lawn Mower . Parts diagrams and manuals available. Free shipping on parts orders over $45.
Troy-Bilt riding mowers give you the power to care for your yard easily and efficiently. We make it easy for you to keep your riding mower performing at peak condition with genuine riding lawn mower parts for all our brands. Browse our wide selection to find what you're looking for. If you already know the part or model number, use our Part ...
Explore Service & Parts. Troy-Bilt parts give you a genuine advantage: the confidence of using parts specifically designed for a exact fit, optimal performance and maximum safety. These are the only parts with the in-depth engineering and rigid testing that assures long-lasting quality. Part Finder. Shop Parts.
Aeneas Rescuing Anchises from Burning Troy (1605/20) // Hendrick van Steenwijck, the Younger Flemish, 1580/82-1649
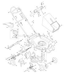
Troy-Bilt TB 30 R (13CC26JD011) - Troy-Bilt Rear-Engine Riding Mower (2015) Front End Steering Parts Lookup with Diagrams | PartsTree
First of the Month (1935/42) // Adrian Troy (American, 1901-1977) published by the Works Progress Administration
0 Response to "39 troy bilt riding lawn mower parts diagram"
Post a Comment