Iklan 300x250

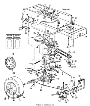
41 yard machine drive belt diagram

Jul 28, · How to replace the drive belts on a MTD Yard Machines lawn tractor model SRL. The model numbers for the belts are not included in the owners manual so here they are: A (used to be Yard Man 13CXG Parts List and Diagram - () : wiringall.comI need a belt diagram for my Yard Machine Model # SRL No - Fixya. MTD Yard Machines Exploded View parts lookup by model. Complete exploded views of all the major manufacturers. ... MTD Yard Machines Parts Diagrams 11-Push Walk-Behind Mowers. 12-Self-Propelled Walk-Behind Mowers. 13-Lawn Tractors. 14-Garden Tractors. 17-Z-Series. 18-Electric Mowers. 21-Tillers. 24-Blowers. 24-Chipper-Shredder & Vacs. 24-Log ...

Yardman 42 Inch Belt Diagram. diagramweb.net: MTD Genuine Parts 36/38/Inch Drive Belt and Prior: Lawn Mower Belts Troy-Bilt, MTD, Yard-Man, Huskee, Yard Machines and Bolens units; Contains one belt MTD Replacement Belt 3/8-Inch by Inch. Changing the drive belt on a MTD Yardman riding mower is part of a routine Attach the deck belt to the ...

Yard machine drive belt diagram

Yard machine drive belt diagram

The process to replace drive belt on Mtd Yard Machine. Step #1: Preparation For Changing Drive Belt. Step #2: Cool The Mower Engine. Step #3: Lower The Mower Deck. Step #4: Remove The Blade Guard. Step #5: Remove The Belt Keeper Rod. Step #6: Loosen The Idler Pulley Nuts. Step #7: Remove The Drive Belt. Step #8: Install New Drive Belt. www.com. Coming soon. Belt diagram for 46" mtd yard machine riding mower Belt diagram for 46" mtd. diagram of how to put the Blade belt on my Yardman 42' riding lawnmower I can& #39;t get my blade belt on Yeah, these belts can seem impossible to figure out.Fix your Yard Man Lawn Mower today with parts, diagrams, accessories and repair advice from eReplacement Parts!

Yard machine drive belt diagram. Yard machine 46 inch riding mower belt diagram. I sold my 2008 yard machines, which never through a belt. I provided links so you can find your own diagram above for your murray riding mower. Cant get forward or reverse to engage engine is ru. Model 13ap605h755 yard man lawn tractor. Mower is fixed no belt slip in fact goes like hell. Start Right Here Find appliance parts, lawn & garden equipment parts, heating & cooling parts and more from the top brands in the industry here. Click on Shop Parts, or select the kind of … Need to fix your 13AN690G352 (2002) Lawn Tractor? Use our part lists, interactive diagrams, accessories and expert repair advice to make your repairs easy. Please note shipping times may be longer than expected due to carrier delays. 877-346-4814. Departments Accessories ... 1-16 of 709 results for "yard machine drive belt" fascinatte (5/8x31.75) Drive Belt 754-04002 954-04002 578453624 for MTD Cub Cadet Husqvarna Yard Machine Yardman. 4.0 out of 5 stars 1. $8.99 $ 8. 99. Get it as soon as Mon, Jan 17. FREE Shipping on orders over $25 shipped by Amazon.

Letchworth Garden City, commonly known as Letchworth, is a town in Hertfordshire, England, noted for being the first garden city.The population at the time of the 2011 census was 33,249. … Yard Machines® provides the equipment you need to get yard work done. We appreciate that you work hard, so we make a machine that works hard for you. Since 1958 when the first lawn mower rolled off the line, Yard Machines has been designing easy-to-use outdoor power equipment and building a reputation for quality and dependability second to none. Belt diagram for 46" mtd yard machine riding mower Belt diagram for 46" mtd yard machine riding mower - Craftsman 20 Hp 42" Deck Lawn Tractor question.1 answer · 1 vote: You can find the belt diagram for the MTD Yard Machine mower in the MTD Owner Manual. The diagram is on page 21. Yard Machines lawn tractors are hard working yet low maintenance, and have been designed to be serviced and maintained by the owner to lower operating costs. An example of this money-saving-design feature is well illustrated by the ease in which a homeowner can install a new lawn tractor drive belt.

Find parts for your Yard Machines 22" Two-Stage Snow Thrower. Parts diagrams and manuals available. ... Snow Blower Auger Belt. 954-04195A. $18.99 Add to Cart In Stock. QuickView 43 … My Yard Machine by MTD 16.5 HP LT, 42" keeps slipping going uphill and won't climb The Model No. is 13AO699G062 and serial number is XXXXX is serial number. Is it the V-belt drive that needs to be cha … read more Find local businesses, view maps and get driving directions in Google Maps. MTD Genuine Factory Parts Original Equipment Deck Drive Belt for Select 24 in. and 30 in. Rear Engine Riding Lawn Mowers OE# 954-05001. Model# 490-501-M065. (3) Add To Cart. Compare.

Yard Machines 13AN601H729 - Yard Machines Lawn Tractor (2006 ...

Yard Machines 13AN601H729 - Yard Machines Lawn Tractor (2006 ...

Follow me on: https://twitter.com/Hardi_Up

MTD 13A2775S000 (2013) Parts Diagram for Transmission Drive ...

MTD 13A2775S000 (2013) Parts Diagram for Transmission Drive ...

Dryer drum drive belt. 1/4 inch wide with 4 ribs and 3 grooves. The drive belt is a very long, slender belt that wraps all the way around the dryer drum, around a tension pulley, and then …

MTD Genuine Parts 42-in Deck/Drive Belt for Riding Mower/Tractors (4-in W x  14.75-in L)

MTD Genuine Parts 42-in Deck/Drive Belt for Riding Mower/Tractors (4-in W x 14.75-in L)

Belt diagram for 46" mtd yard machine riding mower Belt diagram for 46" mtd. diagram of how to put the Blade belt on my Yardman 42' riding lawnmower I can& #39;t get my blade belt on Yeah, these belts can seem impossible to figure out.Fix your Yard Man Lawn Mower today with parts, diagrams, accessories and repair advice from eReplacement Parts!

How to Change Lawn Mower Belts | Gravely

How to Change Lawn Mower Belts | Gravely

Hi! We notice you're using an ad blocker. Please consider allowing Autoblog. We get it. Ads can be annoying. But ads are also how we keep the garage doors open and the lights on here at …

Toro Lx468 Lawn Tractor, 2009 | 13AP61RH848 ...

Toro Lx468 Lawn Tractor, 2009 | 13AP61RH848 ...

Learn everything an expat should know about managing finances in Germany, including bank accounts, paying taxes, getting insurance and investing.

Yard Machines Lawn Tractor | 13AM675G062 | eReplacementParts.com

Yard Machines Lawn Tractor | 13AM675G062 | eReplacementParts.com

Belt diagram for 46" mtd yard machine riding mower Belt diagram for 46" mtd. diagram of how to put the Blade belt on my Yardman 42' riding lawnmower I can& #39;t get my blade belt on Yeah, these belts can seem impossible to figure out.Fix your Yard Man Lawn Mower today with parts, diagrams, accessories and repair advice from eReplacement Parts!

Riding Lawn Mower Cutting Deck Belt Replacement Instructions ...

Riding Lawn Mower Cutting Deck Belt Replacement Instructions ...

Belt Keeper Rod $ Deck. We have parts, diagrams, accessories and repair advice to make your tool repairs easy. Yard Man 13AOH () Lawn Tractor Parts . Deck Belt Cover Lh Rod, Shift (38/42" Decks) I have a Yardman mower 7 speed shift on the go when I first start 1,2 and 3 gears work fine, but when it heats up only.

Yard Machines 13AH762F752 (2005) - PartsWarehouse

Yard Machines 13AH762F752 (2005) - PartsWarehouse

Find Parts by Diagram. Find all the genuine replacement parts for Yard Machines™ on our Parts Diagram. We carry everything for your machine and the Parts Diagram helps visualize every component found in your equipment. Give it a try and if you can't find what you are looking for or need assistance installing the new part, call 1-800-269-6215 ...

How to put the drive belt on a yardman lawnmower, step by ...

How to put the drive belt on a yardman lawnmower, step by ...

It is EASY and FREE. I need a diagram of how to install a belt (not the drive belt) on a 38" Yard Machine twin blade deck model 13acf - Answered by a verified Technician. Lawn Tractor? We have parts, diagrams, accessories and repair advice to make your tool repairs easy. Yard Machines 13ANG Lawn Tractor Parts. Search within model Add to Cart.

How To Replace The Drive Belt On An MTD Variable Speed Riding Mower with  Taryl

How To Replace The Drive Belt On An MTD Variable Speed Riding Mower with Taryl

OEM Duplicate Belt Replaces 754-0280A, 954-0280A, 754-0280, 954-0280 Used On MTD, Cub Cadet, Yard Machine, Yard-Man, White, Bolens 4.5 out of 5 stars 139 1 offer from $14.75

Belt Routing Charts for Lawn Mower Decks Canada

Belt Routing Charts for Lawn Mower Decks Canada

So I join a game at the start of round 1. Room has 6 - 7 people in it. I'm pretty good at guessing the words so I patiently wait for my turn. 5 turns later, still no turn.

MTD Genuine Parts 42 in. Lawn Mower Deck Drive Belt, OEM-754 ...

MTD Genuine Parts 42 in. Lawn Mower Deck Drive Belt, OEM-754 ...

Transmission pulley 2:16Transmission pulley diagram 3:01Transmission drive belt 4:40Deck drive belt 6:12Deck drive belt diagram 7:44This video isn't necessar...

Yard Machines 601 drive belt replacement | My Tractor Forum

Yard Machines 601 drive belt replacement | My Tractor Forum

Find Yard Machines Lawn Mower Belt Replacement Parts at RepairClinic.com. Repair your Yard Machines Lawn Mower Belt for less. Fast, same day shipping. 365 day right part guaranteed return policy.

Installation, Repair and Replacement of John Deere 165, 175 ...

Installation, Repair and Replacement of John Deere 165, 175 ...

Find Original Equipment Belts for all Riding Mowers, RZT, Zero-Turn, Lawn Tractor and Garden Tractors applications. Deck Belts, PTO Belts and Drive Belts for Hydrostatic and Gear Drive Transmissions. Original belts for Troy-Bilt, Craftsman, MTD, Cub Cadet, Yard-Man, Huskee, Yard Machines and Bolens Riding Mower Models, shipped Factory-Direct.

MTD motion drive by crigby

MTD motion drive by crigby

MTD 13AF608G062 (2002) Drive, Controls, Rear Wheels Exploded View parts lookup by model. Complete exploded views of all the major manufacturers. It is EASY and FREE

Drive Belt For Bolens Riding Mower | Shop www.metaforacom.com

Drive Belt For Bolens Riding Mower | Shop www.metaforacom.com

Changing the drive belt on a MTD Yardman riding mower is part of a routine maintenance schedule. MTD, the maker of Yardman products, suggests changing the belt every two years or more with exceptional wear. Inspect the belt often throughout the mowing season for nicks, wear or damage.

Pin on Tim`s mower pics

Pin on Tim`s mower pics

Yard Machines repair parts and parts diagrams for Yard Machines 13AM660F062 - Yard Machines Lawn Tractor (2002) (Lowes)

Riding Mower Repair (drive belts) MTD

Riding Mower Repair (drive belts) MTD

Yardman Drive Belt Diagram. Changing the drive belt on a MTD Yardman riding mower is part of a routine maintenance schedule. MTD, the maker of Yardman products, suggests changing. I need a diagram showing for a 20hp yardman tractor model number 13ATG We have parts, diagrams, accessories and repair advice to make your tool repairs Yard Man 13BTH ...

How To Replace The Drive Belts On A Troy-Bilt/Yard Machine 7 ...

How To Replace The Drive Belts On A Troy-Bilt/Yard Machine 7 ...

Academia.edu is a platform for academics to share research papers.

Repair Tip

Repair Tip "Mower belt diagrams 4" - Fixya

Yard Machines repair parts and parts diagrams for Yard Machines 13B2775S000 - Yard Machines Lawn Tractor (2017)

MTD Brands 36, 38

MTD Brands 36, 38", 42", 46" and 50" Deck Variable Speed Pulley to Engine Belt

Belt diagram for 46" mtd yard machine riding mower Belt diagram for 46" mtd. diagram of how to put the Blade belt on my Yardman 42' riding lawnmower I can& #39;t get my blade belt on Yeah, these belts can seem impossible to figure out.Fix your Yard Man Lawn Mower today with parts, diagrams, accessories and repair advice from eReplacement Parts!

Amazon.com : MTD OEM-754-0430A 22-28-Inch Widths Parts Snow ...

Amazon.com : MTD OEM-754-0430A 22-28-Inch Widths Parts Snow ...

www.com. Coming soon.

MTD Rover Raider 1438 cutter deck belt tension - OutdoorKing ...

MTD Rover Raider 1438 cutter deck belt tension - OutdoorKing ...

The process to replace drive belt on Mtd Yard Machine. Step #1: Preparation For Changing Drive Belt. Step #2: Cool The Mower Engine. Step #3: Lower The Mower Deck. Step #4: Remove The Blade Guard. Step #5: Remove The Belt Keeper Rod. Step #6: Loosen The Idler Pulley Nuts. Step #7: Remove The Drive Belt. Step #8: Install New Drive Belt.

John Deere LT160 Auto Drive Belt

John Deere LT160 Auto Drive Belt

need a diagram for the huskee lt 4600 lawn mower | Click ...

need a diagram for the huskee lt 4600 lawn mower | Click ...

Yard Machines 13AN601H729 - Yard Machines Lawn Tractor (2006 ...

Yard Machines 13AN601H729 - Yard Machines Lawn Tractor (2006 ...

Yard Machine Riding Mower Parts Diagram - Wiring Site Resource

Yard Machine Riding Mower Parts Diagram - Wiring Site Resource

Mtd Yard Machine Drive Belt | Store www.institutodelaliento.com

Mtd Yard Machine Drive Belt | Store www.institutodelaliento.com

MTD 13B2775S000 (2017) Parts Diagram for Transmission Pulley

MTD 13B2775S000 (2017) Parts Diagram for Transmission Pulley

Yard Machines 13BH670F062 (2000) - PartsWarehouse

Yard Machines 13BH670F062 (2000) - PartsWarehouse

Yard Machine 38 Inch Deck Belt Diagram | Online www ...

Yard Machine 38 Inch Deck Belt Diagram | Online www ...

Mtd Yard Machine Drive Belt | Store www.institutodelaliento.com

Mtd Yard Machine Drive Belt | Store www.institutodelaliento.com

MTD 42-in Deck/Drive Belt for Riding Mower/Tractors (16.5-in ...

MTD 42-in Deck/Drive Belt for Riding Mower/Tractors (16.5-in ...

S240 Drive Belt Installation | Green Tractor Talk

S240 Drive Belt Installation | Green Tractor Talk

How to Tell if a Mower Belt is Worn | Ariens

How to Tell if a Mower Belt is Worn | Ariens

LawnMowerBeltReplacment

LawnMowerBeltReplacment

Yardman Drive Belt | Shop www.metaforacom.com

Yardman Drive Belt | Shop www.metaforacom.com

Yard Machine 46 Deck Belt | Online www.enkil.org

Yard Machine 46 Deck Belt | Online www.enkil.org

Yard Machine 38 Deck Belt | Store www.institutodelaliento.com

Yard Machine 38 Deck Belt | Store www.institutodelaliento.com

Yard Machines 42

Yard Machines 42" Lawn Tractor - 13C2775S000 | MTD Parts

MTD Rider won't move with new belts | My Tractor Forum

MTD Rider won't move with new belts | My Tractor Forum

0 Response to "41 yard machine drive belt diagram"

Post a Comment

Iklan Atas Artikel

Iklan Tengah Artikel 1

Iklan Tengah Artikel 2

Iklan Bawah Artikel