Iklan 300x250

41 thermo king parts diagram

Thermo King Compressor Parts - Thermo By Products Thermo King Compressor Parts buy online at wholesale prices open 24/7. Skip to content. About Us Contact Us My Account Login. Thermo By Products. Toggle mobile menu. 1-800-289-2737 (503) 288-0100 - Call us today - Search store. Submit search. MY CART. Aftermarket Vs OEM Part Numbers; Deal of the Day ... Thermo-King 5-40-10MS7 water heater parts | Sears PartsDirect Thermo-King 5-40-10MS7 water heater parts - manufacturer-approved parts for a proper fit every time! We also have installation guides, diagrams and manuals to help you along the way!

Thermo King Electronic Parts Catalog (EPC) User Manual This Thermo King User's Manual contains confidential information of Thermo King, and is intended solely for the use and support of persons who are registered users of the Thermo King iService™System. If you are not a registered user of iService™, please call the Thermo King iService Support Center at 1-877-272-7877, or email ...

Thermo king parts diagram

Thermo king parts diagram

Thermo King Wiring Diagrams, THERMO KING Truck Parts Thermo King Wiring Diagrams, THERMO KING Truck Parts, Wiring and schematic diagrams for Thermo King Truck, Trailer, Heater, Bus and Container units. Isuzu 2.2 D.I. Engine Parts for Thermo King MCP Corporation sells high quality spare parts for Thermo King and Carrier which are the most popular transport refrigeration brands. Durable Items MCP Parts is tested numbers of times and they can work long years without any trouble. MCP parts are used extensively in America, Europe and most of Asian countries now. Parts - Thermo King Parts. Thermo King understands the importance of parts availability and performance. That's why we have expanded our range of aftermarket products. Now you can get the parts and accessories you need, where you need them, when you need them, quicker and more efficiently than ever before. Our goal is to provide you with a total solutions ...

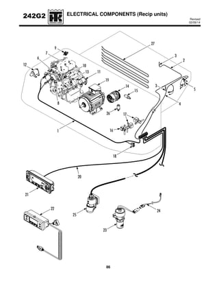
Thermo king parts diagram. Genuine Parts Catalog - Thermo King Units, Parts and Service ... of Genuine Parts Every Thermo King dealer stocks a large inventory of Genuine Thermo King Parts and has easy online access to the complete line in order to get you the part you need, when you need it. Unequaled Nationwide Support With over 200 dealer locations nationwide, there are always factory-trained experts nearby, PDF Thermo King Brochures Thermo King is the Green Leader Thermo King offers industry-leading products and solutions that enable businesses around the world to reduce energy consumption and costs and decrease harmful environmental emissions. The symbol indicates a feature that delivers a signifi cant environmental advantage over previous models or the competition. I PDF CTR Serv CTR Serv PDF Precedent - Thermo King Thermo King Dealer Network Every Precedent unit is backed by the Thermo King Dealer Network, with over 200 locations across North America. Each location is staffed with expert technicians who are factory-certified to service Precedent, and each location is stocked with genuine Thermo King parts for both the Precedent

Engine Parts for Thermo King and Carrier - MCP Corp MCP Corporation sells high quality spare parts for Thermo King and Carrier which are the most popular transport refrigeration brands. Durable Items MCP Parts is tested numbers of times and they can work long years without any trouble. MCP parts are used extensively in America, Europe and most of Asian countries now. Thermo King Parts - Genuine Parts and Accessories for Road ... Unmatched Service and Support. With nearly 200 locations across North America, the Thermo King dealer network gives you the support you need, whenever and wherever you are, with factory-trained expert service and genuine Thermo King parts. Find a Dealer. Tripac Wiring Diagram Tripac Wiring Diagram. Thermo King Tripac Apu Wiring Diagram New Wiring Diagram Load Trail Wiring Diagram Unique Thermo King Tripac is just one of the many collections of. Need wiring diagram for Thermo King Tripac. Have older installation manual, but on unit all wires connects separate. Also need info. TriPac e ™. Auxiliary Heating and Cooling. PDF - Operator's Manual - Thermo King • They have genuine Thermo King replacement parts • They are equipped with the factory recommended tools to perform all service functions • The warranty on your new unit is valid only when the repair and replacement of component parts is performed by an authorized Thermo King Dealer.

Thermo King V300 Wiring Diagram - schematron.org The C-series from Thermo King has been developed to provide a complete product range for chilled applications. There is a model available for every truck size, but the same compact condenser is used. The units have been designed with a temperature preset.Thermo King V Wiring Diagram - PDF documentsThermo King Wiring Schematics - schematron.org. PG Parts Catalog - ThermoKing Thermo King PG Parts™. We are proud to offer you a wide assortment of Thermo King-quality parts for your Carrier® units. You can be assured that the Thermo King tradition of engineering excellence has been built into each and every PG Part. All PG Parts are engineered to meet or exceed OEM specifications and have a nationwide warranty backed Download Center - Thermo King Download Center Click on the language to view the e-book in your preferred language.If you want to save the publication, click "PDF" in the ebook view. Available languages PDF Operator's Manual - ThermoKing Thermo King is not responsible for resultant damages to an emission-related part or component resulting from: † Any application or installation Thermo King deems improper as explained in this Operator's Manual, or any other manuals provided for the unit. † Attachments, accessory items, or parts not authorized for use by Thermo King.

Thermo King Wiring Diagrams, THERMO KING Truck Parts

Thermo King Wiring Diagrams, THERMO KING Truck Parts

Manuals Search - Thermo King Rail Rail Cargo Passenger Rail Parts & Accessories for Rail Rail Maintenance Programs Marine Parts & Service Refrigeration Units Generator Sets About Thermo King Patents Careers Sustainability Elite Customer Service

Panel Roadside/Left V400/V500/V500Max :: Hattink Heesch ...

Panel Roadside/Left V400/V500/V500Max :: Hattink Heesch ...

PDF Operator's Manual Thermo King is not responsible for resultant damages to an emission-related part or component resulting from: † Any application or installation Thermo King deems improper as explained in this Operator's Manual, or any other manuals provided for the unit. † Attachments, accessory items, or parts not authorized for use by Thermo King.

thermo king Md 200 Parts

thermo king Md 200 Parts

Thermo King Tripac APU Evolution Parts Archives - APU Center APU Center offers the best quality Thermo king tripac (APU) auxiliary power unit parts, evolution parts and other items for trucks in Springfield, MO 417-736-3000 My Account |

Thermo King Parts Information Thermo King of Southeast ...

Thermo King Parts Information Thermo King of Southeast ...

Thermo King - EPCATALOGS Screenshots for Thermo King: Our company provides for sale original spare part catalogs, workshop manuals, diagnostic software for all models of engines, cars, trucks, buses, forklifts, tractors, harvesters, cranes, buldozers, generators, construction and agricultural machines, motorcycles. To purchase a catalog online, please add the product ...

Thermo King Magnum Plus Reefer Container Spare Parts - MP4000

Thermo King Magnum Plus Reefer Container Spare Parts - MP4000

Belt Engine/Jackshaft T600R/T800R ... - Hattink Thermo Parts For Thermo King Type Unit: T-570R T-580R T-600M T-600R T-680R T-800M T-800R T-800R Spectrum T-880R ThermoKing Part Description: BELT - engine to motor BELT - engine to motor/jackshaft Thermo-King no. 78-1724 / 1E11111H79 Description on Article: Logo Thermo King 78-1724 1E11111H79 Made in Mexico Hecho en Mexico Description on packing: 781724 Belt 3V 2078MM Made in Mexico Netto 562 gram Examples ...

Thermo King, Busses

Thermo King, Busses

Thermo king parts manual sb210 - United States Tutorials ... Thermo king parts manual sb210 THERMO KING SB210 MANUAL PDF Amazon S3 THERMO KING SB210 MANUAL PDF thermo king sb210 manual are a good way to achieve details about operating certainproducts. Many products that you buy can be obtained using instruction manuals. These user guides are clearlybuilt to give step-by-step information about how you ought… Read More »Thermo king parts manual sb210

Buy Sell Used Thermo King, Truck Refrigeration Units, Parts ...

Buy Sell Used Thermo King, Truck Refrigeration Units, Parts ...

Service Kit TS-200 / TS-300 - Thermo-King Parts and ... For Thermo King Type Unit: Thermo-King no. 80-31220 Service Kit For Thermoking: TS-200 TS 200 / TS200 TS-300 TS 300 / TS300 Belts: 1x 78-1012 1x 78-1129 1x 78-1351 Filters: 1x 11-6182 1x 11-9059 1x 11-9321 1x 11-9341 Net 2700 Grams Examples and applications or Names and unit codes: TK80-31220 / TK-8031220 / TK.80.31220 / TK8031220

Thermo King CRR 40 Deep Freeze Spare Parts

Thermo King CRR 40 Deep Freeze Spare Parts

Thermo King Replacement Door Parts - Thermo By Products Thermo King Replacement Door Parts, buy online at wholesale prices, open 24/7. Skip to content. About Us Contact Us My Account Login. Thermo By Products. Toggle mobile menu. 1-800-289-2737 (503) 288-0100 - Call us today - Search store. Submit search. MY CART. Aftermarket Vs OEM Part Numbers; Deal of the Day ...

Kohler K161-28495 THERMO KING 7 HP (5.2KW) SPECS 2801-281298 ...

Kohler K161-28495 THERMO KING 7 HP (5.2KW) SPECS 2801-281298 ...

Thermo King Tripac Apu Wiring Diagram - schematron.org Thermo King Tripac Apu Wiring Diagram On this website we recommend many designs about Thermo King Tripac Apu Wiring Diagram that we have collected from various sites of Wellread Wiring Diagrams Collection, and of course what we recommend is the most excellent of design for Thermo King Tripac Apu Wiring Diagram. wiring diagram THERMO KING Tripac ...

Fuel Tank Diesel (12-1056) 50Gal / 180L 18

Fuel Tank Diesel (12-1056) 50Gal / 180L 18" 3-Port for Thermo King

Kohler THERMO KING Parts Lookup by Model Kohler THERMO KING Exploded View parts lookup by model. Complete exploded views of all the major manufacturers. It is EASY and FREE. ... Kohler Thermo King Parts Diagrams K161-28348 THERMO KING 7 HP (5.2KW) SPECS 2801-281298. K161-28363 THERMO KING 7 HP (5.2KW) SPECS 2801-281298 ...

67-3219) Coil Condenser Roadside for Thermo King Precedent TK ...

67-3219) Coil Condenser Roadside for Thermo King Precedent TK ...

Parts - Thermo King Parts. Thermo King understands the importance of parts availability and performance. That's why we have expanded our range of aftermarket products. Now you can get the parts and accessories you need, where you need them, when you need them, quicker and more efficiently than ever before. Our goal is to provide you with a total solutions ...

Thermo King Magnum Reefer Container Spare Parts - MP3000

Thermo King Magnum Reefer Container Spare Parts - MP3000

Isuzu 2.2 D.I. Engine Parts for Thermo King MCP Corporation sells high quality spare parts for Thermo King and Carrier which are the most popular transport refrigeration brands. Durable Items MCP Parts is tested numbers of times and they can work long years without any trouble. MCP parts are used extensively in America, Europe and most of Asian countries now.

Thermo King Sb-iii & Sb-iii Max 30 & 50 & Tc Parts Manual ...

Thermo King Sb-iii & Sb-iii Max 30 & 50 & Tc Parts Manual ...

Thermo King Wiring Diagrams, THERMO KING Truck Parts Thermo King Wiring Diagrams, THERMO KING Truck Parts, Wiring and schematic diagrams for Thermo King Truck, Trailer, Heater, Bus and Container units.

Thermo King Magnum Plus Reefer Container Spare Parts - MP4000

Thermo King Magnum Plus Reefer Container Spare Parts - MP4000

Thermo King 2012, Busses

Thermo King 2012, Busses

THERMO KING PARTS MANUAL KD-II & KD-II MAX | eBay

THERMO KING PARTS MANUAL KD-II & KD-II MAX | eBay

Thermo King

Thermo King

Amazon.com: Mover Parts Fuel Solenoid 42-0100 for Thermo King ...

Amazon.com: Mover Parts Fuel Solenoid 42-0100 for Thermo King ...

22-0656) Liner Cylinder Sleeve X430 Compressor Thermo King SB ...

22-0656) Liner Cylinder Sleeve X430 Compressor Thermo King SB ...

New THERMO KING All refrigerator unit for sale from ...

New THERMO KING All refrigerator unit for sale from ...

Thermo King Magnum Reefer Container Spare Parts - MP3000

Thermo King Magnum Reefer Container Spare Parts - MP3000

Thermo King Magnum Reefer Container Spare Parts - MP3000

Thermo King Magnum Reefer Container Spare Parts - MP3000

Thermo King, Busses

Thermo King, Busses

Thermo King

Thermo King

Thermo King Precedent Thermo King of Southeast Wisconsin ...

Thermo King Precedent Thermo King of Southeast Wisconsin ...

Alternator 23amp 12V TS200/TS300/TS500/TS600 :: Hattink ...

Alternator 23amp 12V TS200/TS300/TS500/TS600 :: Hattink ...

T 580 r tsa 55626-1-pm rev 0.2

T 580 r tsa 55626-1-pm rev 0.2

Thermo King TKW40815 PCS1900 MHz vehicle tracking system User ...

Thermo King TKW40815 PCS1900 MHz vehicle tracking system User ...

Pöttinger Terrasem - Compressor aandrijving hydraulisch in ...

Pöttinger Terrasem - Compressor aandrijving hydraulisch in ...

Thermo King Parts Manual CRR40 (MP3000, A) - P | PDF | Heat ...

Thermo King Parts Manual CRR40 (MP3000, A) - P | PDF | Heat ...

Thermo King Magnum Reefer Container Spare Parts - MP3000

Thermo King Magnum Reefer Container Spare Parts - MP3000

78-1853) Belt Motor to Compressor Thermo King T-1200R / T ...

78-1853) Belt Motor to Compressor Thermo King T-1200R / T ...

الشريط وصول كتابة خطاب thermo king parts catalog - kiki-coco.com

الشريط وصول كتابة خطاب thermo king parts catalog - kiki-coco.com

Achterlicht links Nissan King Cab D21 26526-23G10 ...

Achterlicht links Nissan King Cab D21 26526-23G10 ...

Belt set Thermo King SB 200 / 210 (50) ; replacement

Belt set Thermo King SB 200 / 210 (50) ; replacement

Thermo King XNWD 30 5100 & 5200 series Parts Manual: thermo ...

Thermo King XNWD 30 5100 & 5200 series Parts Manual: thermo ...

TriPac® Evolution Operator's Manual

TriPac® Evolution Operator's Manual

CONTROL PANEL - Каталог Thermo King

CONTROL PANEL - Каталог Thermo King

Thermo By Products 2014 Catalog by ken walworth - Issuu

Thermo By Products 2014 Catalog by ken walworth - Issuu

Thermo King Reefer Parts — RMS

Thermo King Reefer Parts — RMS

Kohler K662-3906 THERMO KING 24 HP (17KW) SPECS 2954-45619 ...

Kohler K662-3906 THERMO KING 24 HP (17KW) SPECS 2954-45619 ...

0 Response to "41 thermo king parts diagram"

Post a Comment

Iklan Atas Artikel

Iklan Tengah Artikel 1

Iklan Tengah Artikel 2

Iklan Bawah Artikel