Iklan 300x250

39 john deere x540 parts diagram

John Deere X500 Belt Diagram - Diagram World John Deere X500 Select Series. John deere x500 belt diagram. After tractor serial number 150001 without belt tensioner handle. Replace worn and damaged belts immediately. Replacing belt on a x300 john deere lawn tractor. X340 X500 X520 X534 and X540 with 54 deck. GX255 GX325 GX335 GX345 GX355 and LX280 with 54C deck. ARIMain - WEINGARTZ John Deere - X540 TRACTOR MULTI-TERRAIN SERIES ELECTRICAL ENGINE MM13809, MM15852 Front Blade Fuel and Air LABELS AND OPTIONAL EQUIPMENT ... Parts Diagrams Parts By Type Service Certified Pre-Owned Used Equipment Model Look Up Quick Order Pad ...

John Deere X540 Garden Tractor Parts - Mutton Power John Deere X540 Parts. The John Deere X540 was produced from 2006 to 2014 and boasts power steering and hydraulic deck lift. It came equipped with a hydrostatic drive transmission with differential lock, 54" Mower Decks and 26hp liquid cooled Kawasaki Engine. Regular Maintenance should be performed on the X540 every 50 hours and should include ...

John deere x540 parts diagram

John deere x540 parts diagram

JOHN DEERE - Service Manual Download John Deere X500, X520, X530, X534 & X540 Select Series Tractors Diagnostic and Repair Technical Manual (TM2309) John Deere 647A, 657A, 667A Quik-Trak Technical Manual (TM2310) John Deere 240DLC, 270DLC Excavator Diagnostic Operation and Test Technical Manual (TM2320) John Deere X540 Parts Diagrams - jackssmallengines.com John Deere X540 Parts Diagrams SWIPE SWIPE Belts Electrical Components Filters Hitch and Implement Components Seats and other Components JavaScript Disabled - Unable to show Cart Parts Lookup - Enter a part number or partial description to search for parts within this model. There are (6) parts used by this model. John Deere X540 Wiring Diagram - Wiring Diagram Line John Deere X540 Wiring Diagram Wiring Diagram Line Wiring Diagram ... diagrams free pdf ewd x724 d won t turn over green talk x300 running rough after getting warmed up cylinder hoses parts www spora ws x570 x580 x584 sn 110001 tractors tm138819 truck combines w540 w550 w650 w660 t550 t560 t660 t670 diagnosis tests tm404119 a belt drive idlers ...

John deere x540 parts diagram. John Deere X500 X520 X530 X534 X540 Tractor Mower ... John Deere X500 X520 X530 X534 X540 Tractor Mower Technical Service Manual TM2309 Download This John Deere TM-2309 Technical Service Manual offers detailed servicing instructions for the John Deere X500 X520 X530 X534 X540 Lawn and Garden Tractor and mower. GENERAL INFORMATION Safety General Specifications Cap Screw Torque Tune-Up Fuel and Lubrication Serial Numbers ENGINE […] Parts & Services | John Deere UK & IE That promise starts with the parts source that is closest to you: your local John Deere dealership and their total service commitment to you. The rest gets taken care of by an unstoppable logistics operation and our massive European parts warehouse, where more than 300,000 different parts are readily available for delivery next-day. John Deere Wiring Diagram Download - Wiring Diagram X540 John Deere Fuse Box - Wiring Diagram Data Oreo - John Deere Wiring Diagram Download. Wiring Diagram arrives with numerous easy to stick to Wiring Diagram Instructions. It really is supposed to help each of the common person in developing a suitable method. These guidelines will be easy to comprehend and use. John Deere X500 X520 X530 X534 X540 Repair Manual Description: John Deere X500 X520 X530 X534 X540 Select Series Repair Manual Factory Service Repair Manual TM2309 For John Deere X500s Multi-Terrain. Tons of illustrations, instructions, diagrams for step by step remove and install, assembly and disassembly, service, maintenance, inspection, repair, troubleshooting, tune-ups.

54 mower deck parts for X540 - John Deere Parts and More John Deere Leaf Bagging Blowout Kit 54C Deck - BM20985. (4) $139.10. Usually available. Add to Cart. JOHN DEERE X540 Farm Equipment For Sale - 68 Listings ... John Deere X540 garden tractor equipped with a 54" mower deck and turf tires. Total tractor hours of 402 as LED on hour meter was hard to read and new meter was installed in October 2020 @ 389 hour... John Deere Parts Diagram & Parts Search • John Deere Parts ... John Deere parts lookup tool and diagram is an incredible online source. It is a complete catalog that shows you detailed parts diagrams of every part of your machine. This online parts catalog is robust and easy to use. Searching for your John Deere parts online has never been easier. John Deere X540 Lawn Tractor Maintenance Guide & Parts List Service Schedule Parts for a John Deere X540 Lawn Tractor & Parts List. While your John Deere machine is certainly built with quality parts, they have a limited life. Good news is you can easily service your machine yourself using a John Deere maintenance kit or service kits or by getting the specific John Deere part needed to keep your John Deere mower or tractor running for a long time.

Amazon.com: john deere x540 parts 1-16 of 903 results for "john deere x540 parts" John Deere Original Equipment Filter Kit #LG257 49 $82 72 Get it Wed, Jan 12 - Fri, Jan 14 FREE Shipping Only 16 left in stock - order soon. Amazon's Choice John Deere AM141075 Electronic Control Unit Ignition Module Replacement Part for X300 and X500 Series Riding Lawn Mowers, Black 277 Save 15% $93 john deere x500 parts manual | eurekaconsumer.com John deere X500 parts manual. ... manual, john deere 1050 manual, yamaha v star 1100 parts manual. Our professional services was launched using a... John Deere X540 X500 Series Lawn Tractors Riding... John Deere Parts Catalog Find parts & diagrams for your John Deere equipment. Search our parts catalog, order parts online or contact your John Deere dealer. John Deere Parts Diagrams, John Deere X500 TRACTOR MULTI ... John Deere Parts Diagrams, John Deere X500 TRACTOR MULTI-TERRAIN SERIES (With 54-IN Mower Deck) -PC9524 Adapter 48C: Two-Bag Power Flow Material Collection Air Filter 050001 - : Fuel & Air

John Deere X540 Model Number Decal (2 required) - M154243

John Deere X540 Model Number Decal (2 required) - M154243

TM2309 - John Deere X500, X520, X530, X534, X540 Select ... Illustrated Factory Diagnostic and Repair Technical Sevice Manual for John Deere Select Series MultiTerrain Riding Lawn Tractors Models X500, X520, X530, X534 & X540 This manual contains high quality images, circuit diagrams, instructions to help you to maintenance, troubleshooting, diagnostic, and repair your truck. This document is printable, without restrictions, contains searchable text ...

SOLVED: Need to replace the belt on a John Deere 48

SOLVED: Need to replace the belt on a John Deere 48" - Fixya

x540 john deere parts diagram - Wiring Diagram Line John Deere X540 Tractor Multi Terrain Series With 48 Inch Mower Deck Pc9527 Chute E Wheels And Lift Linkage 54 John Deere X540 Tractor Multi Terrain Series With 54 Inch Mower Deck Pc9527 Belt Drive Idlers 48 Non Rotatable Anti Scalp Wheels Lift Linkage John Deere X540 54 Mower Deck Parts Online Www Spora Ws

2010 John Deere X540 - Lawn & Garden Tractors - Hillsboro, OH

2010 John Deere X540 - Lawn & Garden Tractors - Hillsboro, OH

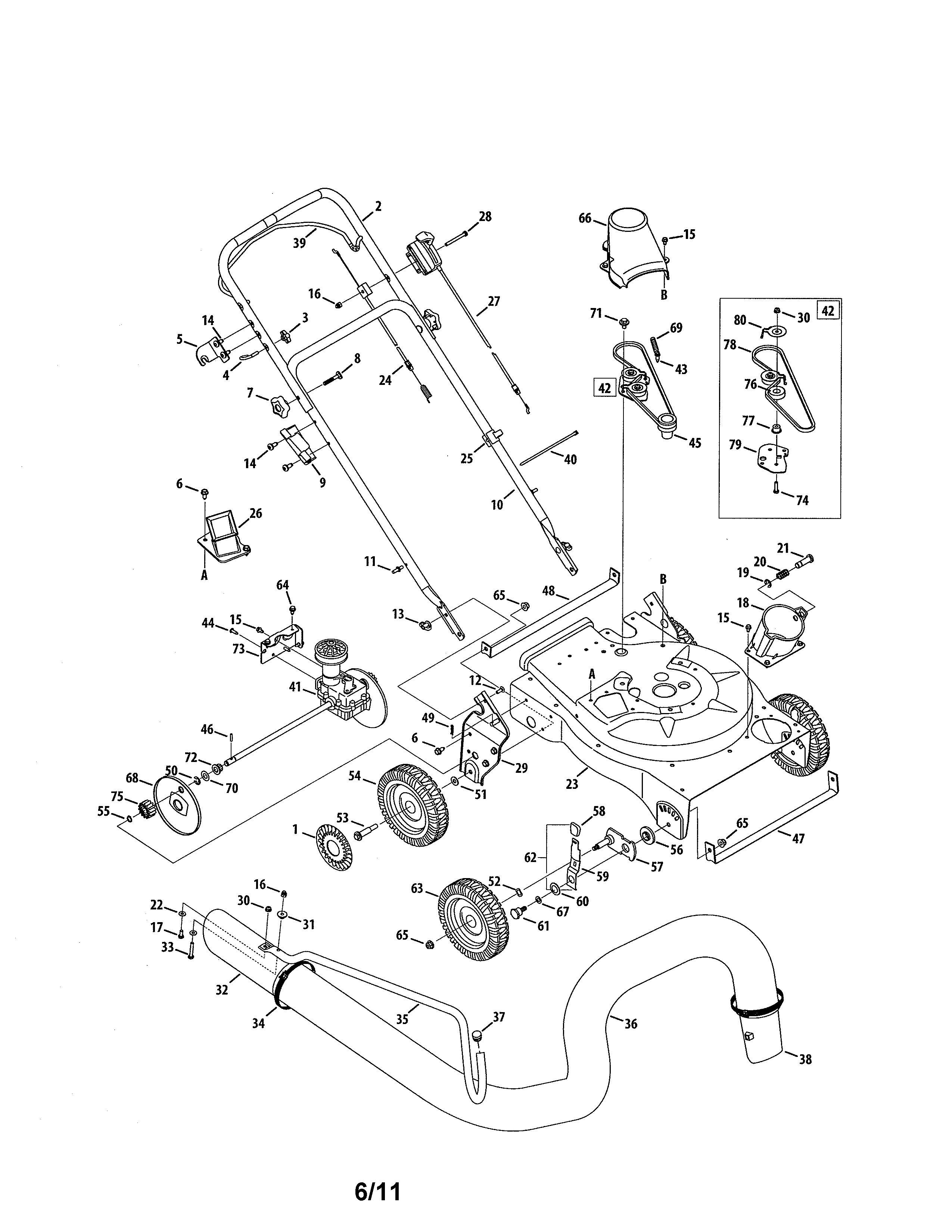
John Deere Parts Diagrams, John Deere X540 TRACTOR MULTI ... John Deere Parts Diagrams, John Deere X540 TRACTOR MULTI-TERRAIN SERIES. ELECTRICAL. ENGINE MM13809, MM15852. Front Blade. Fuel and Air. LABELS AND OPTIONAL EQUIPMENT.

X590 Owner Information | Parts & Service | John Deere CA

X590 Owner Information | Parts & Service | John Deere CA

John Deere Model X540 Lawn and Garden Tractor Parts John Deere Lawn and Garden Tractor Parts Model X540 Model X540 The 13 or 16-digit product identification number (serial number) (A) is located on right side of frame. The engine identification number (B) is located on the engine housing. Click here for 48 mower deck parts with non-rotatable gauge wheels for X540

Diagram - Brake System Valid for GD: 048 - Ferrparts

Diagram - Brake System Valid for GD: 048 - Ferrparts

John Deere 116 Wiring Diagram Download - U Wiring X540 John Deere Fuse Box Wiring Diagram Data Oreo John Deere Wiring Diagram Download. John Deere Front Wheel Drive Axles 0016 2009 2009C 2011 2016 Component Technical Manual CTM4870 John deere 4045 PowerTech OEM Diesel Engines Below 130kW 174 hp Interim Tier 4 Stage III B platform Component Technical Manual CTM114619 John Deere 6090 Diesel ...

X540 - 54-in. Mower Deck

X540 - 54-in. Mower Deck

John Deere X540 54" Parts & Accessories - Mutton Power John Deere X540 Garden Tractor Built for long days of work, the X540 garden tractor is powered by a liquid cooled Kawasaki engine to eliminate the risk of over heating. Convenience features like power steering and hydraulic deck lift make the John Deere X540 easy to operate when doing ground engaging work like tilling and snow removal.

John Deere X540 Price, Specs, Oil Capacity, Review ...

John Deere X540 Price, Specs, Oil Capacity, Review ...

TractorData.com John Deere X540 tractor information John Deere X540 attachments 54" mid-mount mower deck Attachment details ... X540 Serial Location Serial number tag on the front-right of the X540 tractor frame, above the front axle. References Select Series Tractors published in 2009, by John Deere Operator's Manual X500 Series Tractors (OMM153412) published in 2005, by John Deere

lx277 parts diagram and online source? - TractorByNet

lx277 parts diagram and online source? - TractorByNet

John Deere Parts | Parts & Services | John Deere US Engine Remanufactured Parts & Components All Makes Parts Maintenance Parts Oil, Filters, Grease and Coolants Protect your most valuable assets with Genuine John Deere oil, filters, grease, and coolants that give you the John Deere quality & standards that you expect. Check out our suggested Oil Change, Filter & Service Intervals Batteries

Honda HRM215K3 SXA LAWN MOWER, USA, VIN# MZBB-6400001 TO MZBB ...

Honda HRM215K3 SXA LAWN MOWER, USA, VIN# MZBB-6400001 TO MZBB ...

John Deere D140 Wiring Diagram - U Wiring John deere d140 wiring diagram. Snow blade 46 117m. A wiring diagram is a simplified traditional photographic representation of an electrical circuit. Both text and no-text labels are. Actually we have been noticed that john deere d140 parts diagram is being just about the most popular subject right now. Every place there was a ground wire it ...

Craftsman 247770130 lawn vacuum parts | Sears PartsDirect

Craftsman 247770130 lawn vacuum parts | Sears PartsDirect

Parts Finder - John Deere Search by Model Number/Product Type. Your model number is a combination of letters and numbers which can be located on either the deck or hood of your equipment (Ex. LA125). The drop down boxes will help you locate the models and product types with parts available for purchase on this site. Machine Type.

X500 Snow Plow | Green Tractor Talk

X500 Snow Plow | Green Tractor Talk

X540 Owner Information | Parts & Service | John Deere CA Operator's Manual Parts Diagram Safety and How-To Buy Maintenance Parts Click on deck size below to view Maintenance Reminder Sheet X540 42 in. Mower Deck X540 42 in. Mulch Mower Deck X540 48 in. Non-Rotatable Mower Deck X540 48 in. Rotatable Mower Deck X540 54 in. Accel Deep™ Mower Deck Understand your Warranty Terms

John Deere Model X540 Lawn and Garden Tractor Parts

John Deere Model X540 Lawn and Garden Tractor Parts

John Deere X540 Wiring Diagram - Wiring Diagram Line John Deere X540 Wiring Diagram Wiring Diagram Line Wiring Diagram ... diagrams free pdf ewd x724 d won t turn over green talk x300 running rough after getting warmed up cylinder hoses parts www spora ws x570 x580 x584 sn 110001 tractors tm138819 truck combines w540 w550 w650 w660 t550 t560 t660 t670 diagnosis tests tm404119 a belt drive idlers ...

John Deere X540 Engine Manuals - generousthat

John Deere X540 Engine Manuals - generousthat

John Deere X540 Parts Diagrams - jackssmallengines.com John Deere X540 Parts Diagrams SWIPE SWIPE Belts Electrical Components Filters Hitch and Implement Components Seats and other Components JavaScript Disabled - Unable to show Cart Parts Lookup - Enter a part number or partial description to search for parts within this model. There are (6) parts used by this model.

John Deere LVB25545 X400 X500 Drive Shaft | OEM Parts

John Deere LVB25545 X400 X500 Drive Shaft | OEM Parts

JOHN DEERE - Service Manual Download John Deere X500, X520, X530, X534 & X540 Select Series Tractors Diagnostic and Repair Technical Manual (TM2309) John Deere 647A, 657A, 667A Quik-Trak Technical Manual (TM2310) John Deere 240DLC, 270DLC Excavator Diagnostic Operation and Test Technical Manual (TM2320)

F9.9/F15 spare parts Parsun 4-stroke outboard

F9.9/F15 spare parts Parsun 4-stroke outboard

2007 John Deere X540 - Lot #4822, Online Only Equipment ...

2007 John Deere X540 - Lot #4822, Online Only Equipment ...

Triumph Rocket 3 GT & GT Black Foot Control Kit, Middle - A9770218

Triumph Rocket 3 GT & GT Black Foot Control Kit, Middle - A9770218

PARTS DIAGRAMS AND LISTS

PARTS DIAGRAMS AND LISTS

John Deere X500 X520 X530 X534 X540 Tractor Service Technical ...

John Deere X500 X520 X530 X534 X540 Tractor Service Technical ...

X500 with 54” X Deck

X500 with 54” X Deck

John Deere X540 TRACTOR MULTI-TERRAIN SERIES (With 48 inch ...

John Deere X540 TRACTOR MULTI-TERRAIN SERIES (With 48 inch ...

John Deere X500, X520, X530, X534, X540 Select Series Riding ...

John Deere X500, X520, X530, X534, X540 Select Series Riding ...

1994 John Deere 345 48 inch Riding Lawn Mower - RonMowers

1994 John Deere 345 48 inch Riding Lawn Mower - RonMowers

Clutch for X300, X500, Z200 and Z400 Series

Clutch for X300, X500, Z200 and Z400 Series

2012 Can-Am Outlander 800REFI Xmr Front Suspension | Fox ...

2012 Can-Am Outlander 800REFI Xmr Front Suspension | Fox ...

Peg Perego John Deere Farm Animals Hay Ride IGED1065 ...

Peg Perego John Deere Farm Animals Hay Ride IGED1065 ...

Amazon.com : SureFit Drive V-Belt Replacement for John Deere ...

Amazon.com : SureFit Drive V-Belt Replacement for John Deere ...

Epic FreeMotion NordicTrack Elliptical Right Upper Body Leg Outer Cover  335837

Epic FreeMotion NordicTrack Elliptical Right Upper Body Leg Outer Cover 335837

Camoo AM136327 Right Front Lawn Mower Deck Gauge Wheel Arms for John Deere  X300 X320 X500 X324 X340 X360 X500 X520 X530 X534 X540

Camoo AM136327 Right Front Lawn Mower Deck Gauge Wheel Arms for John Deere X300 X320 X500 X324 X340 X360 X500 X520 X530 X534 X540

John Deere X540 TRACTOR MULTI-TERRAIN SERIES 47 Snowblower ...

John Deere X540 TRACTOR MULTI-TERRAIN SERIES 47 Snowblower ...

John Deere X540 TRACTOR MULTI-TERRAIN SERIES 42 inch ...

John Deere X540 TRACTOR MULTI-TERRAIN SERIES 42 inch ...

Buy Makita 9500DW 4” Angle Replacement Tool Parts | Makita ...

Buy Makita 9500DW 4” Angle Replacement Tool Parts | Makita ...

Cub Cadet Lawn Tractor | 1015 | eReplacementParts.com

Cub Cadet Lawn Tractor | 1015 | eReplacementParts.com

Honda HRX 476 HX Lawnmower (HRX476C-HXE-MASF) Parts Diagram ...

Honda HRX 476 HX Lawnmower (HRX476C-HXE-MASF) Parts Diagram ...

GEHL Skid Loader 2 4610 SL4610 - OPTIONS & ACCESSORIES ...

GEHL Skid Loader 2 4610 SL4610 - OPTIONS & ACCESSORIES ...

John Deere X540 Multi-Terrain Lawn Mower BigIron Auctions

John Deere X540 Multi-Terrain Lawn Mower BigIron Auctions

TM2309 - John Deere X500, X520, X530, X534, X540 Select ...

TM2309 - John Deere X500, X520, X530, X534, X540 Select ...

John Deere X500, X520, X530, X534 and X540 Technical Manual TM2309 On CD or  USB | eBay

John Deere X500, X520, X530, X534 and X540 Technical Manual TM2309 On CD or USB | eBay

John Deere X540 54

John Deere X540 54" Parts & Accessories

0 Response to "39 john deere x540 parts diagram"

Post a Comment

Iklan Atas Artikel

Iklan Tengah Artikel 1

Iklan Tengah Artikel 2

Iklan Bawah Artikel