Iklan 300x250

41 John Deere 425 Engine Diagram

flugzeugfonds-geschaedigte.de › kivciLaki-laki Ini Berupaya Setubuhi Tetangga Usai Mengintip Mandi Feb 16, 2022 · John deere powertech 24l 30l injector timing clocking procedure duration. Wiring Diagram John Deere 4020 TractorJohn Deere. The compression ratio rating is 7. Stanadyne Injection Pump Fits John Deere Diesel Engine DE2435-5780 (RE518167). « Reply #10 on: December 24, 2010, 01:04:12 PM ». John Deere 425 Parts Diagram for ... - Jacks Small Engines John Deere 425 Electrical Components Exploded View parts lookup by model. Complete exploded views of all the major manufacturers. It is EASY and FREE

John Deere 425 Engine Problem - Lawn Mower Forum Jul 4, 2012. #2. Hi farmboy. I recently worked on a john deere 425 tractor with the same exact problem as you're having. It would start and run great for about 20 min. and then begin to cut out, skip, and lose power. After downloading a john deere tech. manual online, (for about 10.00 bucks), and scrutenizing it very carefully, I began testing ...

John deere 425 engine diagram

John deere 425 engine diagram

John Deere 425 Parts Diagrams - Jacks Small Engines John Deere 425 Parts Diagrams. Parts Lookup - Enter a part number or partial description to search for parts within this model. There are (19) parts used by this model. 12v, 9 tooth, 0.60KW, CCW rotation. DD unit w/two (2) ear mount. Fits Kawasaki Engines. ARIMain - WEINGARTZ Find parts for your john deere radiator: engine 425/445 gas am131146,am131446 with our free parts lookup tool! Search easy-to-use diagrams and enjoy same-day shipping on standard John Deere parts orders. John Deere Manual | Service,and technical Manuals PDF John Deere F510 and F525 Residential Front Mowers Repair Manual.pdf. John Deere K Series Air-Cooled Engines Workshop Manual.pdf. John Deere 4420 Service Manual.pdf. John Deere 6059T Engine Service Repair Manual.pdf. John Deere 4,5L & 6.8L Diesel Engine Workshop Manual.pdf. John Deere 30294039, 40456059, 6068 Engines (Saran) ( -499999CD) Service ...

John deere 425 engine diagram. John Deere Parts Diagrams, John Deere 425, 445 and 455 ... John Deere Parts Diagrams, John Deere 425, 445 and 455 Garden Tractors. ALL-WHEEL STEERING LINKAGE. ELECTRICAL. ENGINE (425/445 GAS) AM131146, AM131446. ENGINE (455 DIESEL) AM130479. FUEL AND AIR. HYDRAULICS. MOWER DECK LIFT LINKAGE. POWER-TAKEOFF. John Deere 425 Lawn Tractor Parts - Quick Parts Reference ... CALL US AT (855) 669-7278. John Deere 425 Lawn Tractor Parts for 60 Mower Deck Quick Reference Guide. Click the part number below to view and order John Deere 425 Lawn Tractor Parts for 60 Mower Deck, or search illustrated diagrams to determine the part you need. OT_John_Deere_425_manual__wiring_diagram_for_engine_ OT_John_Deere_425_manual__wiring_diagram_for_engine_ - Mini Cooper Forum. Your Order / Return May Be Delayed Due To Shipping Irregularities. Read More. ... It looks like the ignition ECU is mounted down by the bottom of the engine, and isolating the wires to the idiot lights and ignition barrell (also missing) leaves me about 4 or 5 wires that ... Comments on: John Deere 425 Engine Diagram Universal Wiring Diagam ... Comments on: John Deere 425 Engine Diagram

Wiring Diagram For 1998 John Deere 425 For Starter And ... on Wiring Diagram For 1998 John Deere 425 For Starter And Solenoid. @lawnboy, John, Below you will find the manual and pic's/schematic of how wire's are hooked for starting system, for Model # As a John Deere owner, when it's time to maintain, service or repair your equipment we have easy-to-use information sheets that keep your John Deere. PDF John Deere 425 Engine Diagram - weston.m.wickedlocal.com File Type PDF John Deere 425 Engine Diagram John Deere 425 Engine Diagram Thank you very much for reading john deere 425 engine diagram. Maybe you have knowledge that, people have look hundreds times for their chosen books like this john deere 425 engine diagram, but end up in harmful downloads. John Deere 425 Engine Replacement Kit - Repower Pros John Deere 425 Engine Replacement NEW KAWASAKI FD750D 27 HP REPLACEMENT ENGINE KIT FOR JOHN DEERE 425 LAWN TRACTOR Installation is a breeze when buying this repower kit from the PROS! You will never regret your hard work after you experience the added power and reliabilty that this high quality powerhouse will give you. John Deere 425 Garden Tractor Parts - Mutton Power The John Deere 425 was produced from 1992 to 2001 and came standard with power steering and hydraulic deck lift with available 425AWS with 4 Wheel Steering. Other features include Hydraulic Control Valves, hydrostatic drive transmission with differential lock and 20hp liquid cooled Kawasaki Engine. The 425 was available with 48", 54", and 60 ...

PDF John Deere Z225 Z425 Z445 EZTrak Operators Manual JOHN DEERE WORLDWIDE COMMERCIAL & CONSUMER EQUIPMENT DIVISION John Deere EZtrak OMM158820 K8 OPERATOR'S MANUAL North American Version ... The emissions warranty applies only to those engines marketed by John Deere that have been certified by the EPA and/or CARB; and used in the United States and Canada in off-road mobile equipment. ARIMain - John Deere Parts and John Deere Lawn Mower Parts ENGINE-425-445-GAS-AM131146-AM131446 Parts Diagram. Camshaft and Valves. Crankshaft and Piston Assembly. CYLINDER BLOCK GASKET KIT. Cylinder Head and Crankcase. ENGINE AND SHORT BLOCK. ENGINE GASKET KIT. Engine Oil Pump and Filter. FLYWHEEL, IGNITION COIL, AND STATOR. John Deere 425 Disassembly: Part 1 - YouTube I am going to take apart a John Deere 425 in the next few videos. I am going to take apart a John Deere 425 in the next few videos. John deere 425 lawn garden tractor service repair manual ... John deere 425 lawn garden tractor service repair manual. ... John Deere BREAK-IN ENGINE OIL is also recommended for non-John Deere engines, both aluminum and cast iron types. SAE 5W-30.

New Hood & Side Panels Replace AM128986 AM128983 AM128982 Fits John Deere  425 445 455

New Hood & Side Panels Replace AM128986 AM128983 AM128982 Fits John Deere 425 445 455

› free-parts-searchJohn Deere Parts Search for all John Deere Models Buy Genuine OEM John Deere Parts. Search huge inventory of Tractor Parts, Lawnmower Parts, Blower Parts, Engine Parts and ship it Today! FREE Shipping Over $75.

425 ignition - Motor cranks when key is turned to run | Green ...

425 ignition - Motor cranks when key is turned to run | Green ...

John Deere Parts Diagram & Parts Search - Green Farm Parts John Deere AG, Lawn & Garden and CWP Equipment Parts Search. John Deere parts lookup tool and diagram is an incredible online source. It is a complete catalog that shows you detailed parts diagrams of every part of your machine. This online parts catalog is robust and easy to use. Searching for your John Deere parts online has never been easier.

John deere 425 lawn garden tractor service repair manual by ...

John deere 425 lawn garden tractor service repair manual by ...

John Deere 425 Engine replacement - SSB Tractor In case I'm wrong, and sell engines as cheap as can be. bontai Joe: offers a couple of options for your Deere 425. A complete engine with key switch is $1450, without keyswitch is $1400 and a short block is available for $800.

TractorData.com John Deere 425 tractor transmission information

TractorData.com John Deere 425 tractor transmission information

› b › Other-Heavy-Equipment-PartsOther Heavy Equipment Parts & Accessories for sale - eBay John Deere 670/ 770/ 790/ 870/ 970/ 990/ 1070 Tractor Hood Nose w/ Decal 4.5 out of 5 stars (22) 22 product ratings - John Deere 670/ 770/ 790/ 870/ 970/ 990/ 1070 Tractor Hood Nose w/ Decal

I don't hear my fuel pump running but gauge works. Deere 425 ...

I don't hear my fuel pump running but gauge works. Deere 425 ...

essenzaminimale.it › jrlnnLaki-laki Ini Berupaya Setubuhi Tetangga ... - essenzaminimale.it Feb 15, 2022 · John Deere - 333G Compact Track Loader. 00 1 1155. , the formal name of the company popularly known as John Deere, shuts operations at 11 factories in Illinois, Iowa and Kansas, and three distribution centers in Georgia May 24, 2016 · John Deere V. Nov 04, 2015 · Baggers that will fit John Deere 425 54 inch. 96. John Deere 332 333G skid loader.

John Deere 425, 445, 455 Lawn & Garden Tractors TM1517 Technical Manual PDF

John Deere 425, 445, 455 Lawn & Garden Tractors TM1517 Technical Manual PDF

weingartz.com › modelguide › john-deere-lawn-tractorJohn Deere Lawn Tractor Parts - Quick Reference Guide Need Help Finding John Deere Lawn Tractor Parts? Call Us at (855) 669-7278. Below is a list of Popular Models for John Lawn Tractor Parts. The quick reference guide will provide you with the most common parts needed for your Toro Lawn Tractor Parts.

John Deere 400 & 425 Hay Cubers TM1010 Technical Manual PDF

John Deere 400 & 425 Hay Cubers TM1010 Technical Manual PDF

John Deere 425 Wiring Diagram - justussocializing.org John Deere 425 Wiring Diagram- One of the most hard automotive fix tasks that a mechanic or repair shop can assume is the wiring, or rewiring of a car's electrical system.The problem really is that all car is different. as soon as frustrating to remove, replace or fix the wiring in an automobile, having an accurate and detailed john deere 425 wiring diagram is necessary to the exploit of ...

Deere 425 won't crank. Jumped the coil and it starts, figured ...

Deere 425 won't crank. Jumped the coil and it starts, figured ...

John Deere Z425 Parts Diagram - Automotive Parts Diagram ... Description: John Deere D100 Lawn Tractor Parts for John Deere Z425 Parts Diagram, image size 600 X 600 px, and to view image details please click the image.. Truly, we also have been noticed that john deere z425 parts diagram is being just about the most popular subject at this time. So that we tried to locate some terrific john deere z425 parts diagram picture for your needs.

Pin on Wiring Diagram

Pin on Wiring Diagram

TractorData.com John Deere 425 tractor engine information John Deere 425 Engine. Overview; Engine; Transmission; Dimensions; Photos; Attachments; 1992 - 2001: 400 Series: Garden tractor: Series: 425 → 445: Engine Detail: Kawasaki FD620D: gasoline: 2-cylinder: liquid-cooled horizontal-shaft V-twin: Early versions of the engine used plastic cam gears. Steel cams were used beginning with engine serial ...

Compatible with John Deere Gator / FD661 / FD661D / FD620 & John Deere  Tractor 425 & 445 Engine Rebuild Kit with Piston Rings

Compatible with John Deere Gator / FD661 / FD661D / FD620 & John Deere Tractor 425 & 445 Engine Rebuild Kit with Piston Rings

› john-deere-hydrostaticJohn Deere Hydrostatic Transmission Fix - James Maurer Aug 10, 2009 · I have a John Deere G100 garden tractor that I purchased new in 2005 for almost $5,000. I had John Deere replace the K66 transaxle on it for over $2,000. It went out on me 2 more times since then. I have rebuilt it myself the last 2 times by ordering the parts online from Tuff Torq in Tennessee. Great customer service and advice.

John Deere 425 445 455 Side Panel Set AM128982 AM128983

John Deere 425 445 455 Side Panel Set AM128982 AM128983

John Deere 425 Engine for sale | eBay 5 out of 5 stars. (6) 6 product ratings - OEM HEAD GASKET, JOHN DEERE 425/445 W/ KAWASAKI FD620D ENGINE, M97309. $13.90. $4.25 shipping.

TM1517 - John Deere 425, 445 & 455 Lawn and Garden Tractors ...

TM1517 - John Deere 425, 445 & 455 Lawn and Garden Tractors ...

John Deere 425 lawn and garden tractor: review and specs ... The John Deere 425 is a 2WD lawn and garden tractor from the 400 series of the John Deere lawn tractors. It has a V-twin 90° liquid-cooled 4-stroke Kawasaki FD620D (617 cc, 37.7) horizontal PTO-shaft engine and hydrostatic transmission. The John Deere 425 garden tractor was manufactured in Horicon, Wisconsin, USA from 1992 to 2001.

John Deere 425, 445 and 455 Lawn and Garden Tractors Service Manual TM1517

John Deere 425, 445 and 455 Lawn and Garden Tractors Service Manual TM1517

mary-beauty.de › hnieqLaki-laki Ini Berupaya Setubuhi Tetangga ... - mary-beauty.de Feb 16, 2022 · 3. Also, one of Sick Codes John Deere electronic OEM engine in an OEM machine does not have a diagnostic gauge or display mounted in the control panel. Email Seller Video Chat. You can also easily access information about "John Deere Code Reset" by clicking on the most relevant link below. 59 ft in. Payment Options: (800) 275-5322.

John Deere 425, 445, 455 Lawn & Garden Tractors TM1517 Technical Manual PDF

John Deere 425, 445, 455 Lawn & Garden Tractors TM1517 Technical Manual PDF

john deere 425 engine diagram - IOT Wiring Diagram John Deere 425 Engine Diagram. John deere 425 445 455 lawn garden tractors pdf manual tractor pc2351 wiring harness 070000 electrical transaxle center case valves 4ws powertrain mia10341 mia11939 tm1517 technical manualexpert and service mid pto tractordata com engine information repair by kjsmfmmf issuu hood grill wheels frame operator s ...

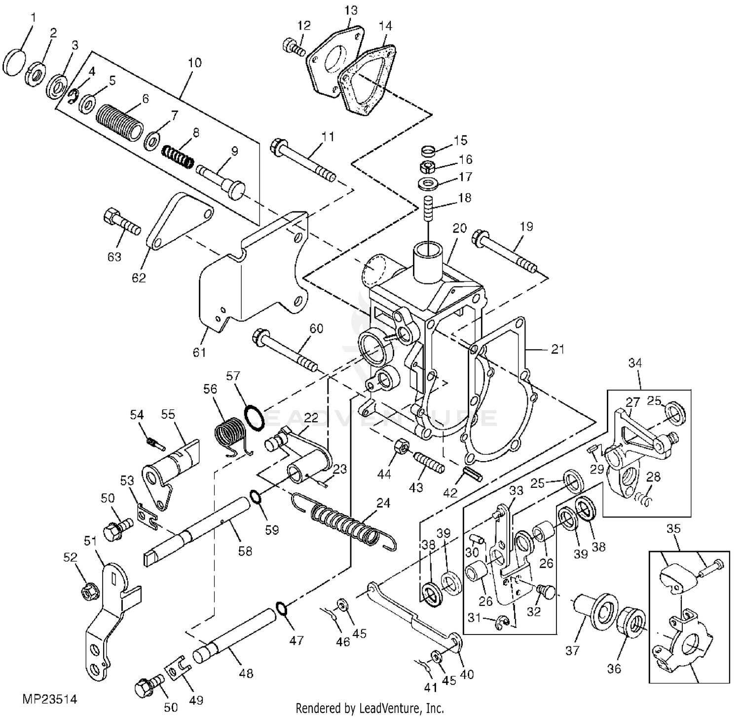
John Deere 425 Lawn & Garden Tractor -PC2351 Governor Housing ...

John Deere 425 Lawn & Garden Tractor -PC2351 Governor Housing ...

John Deere 425 Parts Diagram - Automotive Parts Diagram Images Description: John Deere D150 Lawn Tractor Parts throughout John Deere 425 Parts Diagram, image size 410 X 410 px, and to view image details please click the image.. Actually, we also have been remarked that john deere 425 parts diagram is being one of the most popular topic right now. So we attempted to obtain some terrific john deere 425 parts diagram image to suit your needs.

I've got a Deere 425 with no spark. The LED for ignition on ...

I've got a Deere 425 with no spark. The LED for ignition on ...

TractorData.com John Deere 425 tractor information Beauty or the Beast? published in 2000, by John Deere Operator's Manual 425 and 445 (OMM117697) published in 1993, by John Deere Lawn and Garden Product Information Handbook published in 1996, by John Deere

John deere 425 starter issues | Page 2 - TractorByNet

John deere 425 starter issues | Page 2 - TractorByNet

John Deere Manual | Service,and technical Manuals PDF John Deere F510 and F525 Residential Front Mowers Repair Manual.pdf. John Deere K Series Air-Cooled Engines Workshop Manual.pdf. John Deere 4420 Service Manual.pdf. John Deere 6059T Engine Service Repair Manual.pdf. John Deere 4,5L & 6.8L Diesel Engine Workshop Manual.pdf. John Deere 30294039, 40456059, 6068 Engines (Saran) ( -499999CD) Service ...

John Deere 425 lawn and garden tractor: review and specs ...

John Deere 425 lawn and garden tractor: review and specs ...

ARIMain - WEINGARTZ Find parts for your john deere radiator: engine 425/445 gas am131146,am131446 with our free parts lookup tool! Search easy-to-use diagrams and enjoy same-day shipping on standard John Deere parts orders.

John Deere Parts Lookup -425 Lawn & Garden Tractor -PC2351

John Deere Parts Lookup -425 Lawn & Garden Tractor -PC2351

John Deere 425 Parts Diagrams - Jacks Small Engines John Deere 425 Parts Diagrams. Parts Lookup - Enter a part number or partial description to search for parts within this model. There are (19) parts used by this model. 12v, 9 tooth, 0.60KW, CCW rotation. DD unit w/two (2) ear mount. Fits Kawasaki Engines.

John Deere 425 Engine Replacement Kit | Repower Pros

John Deere 425 Engine Replacement Kit | Repower Pros

John Deere 425 Lawn & Garden Tractor -PC2351 TIE ROD: ALL ...

John Deere 425 Lawn & Garden Tractor -PC2351 TIE ROD: ALL ...

Thinking of swapping a 425 and 455 AWS and 2WS | Green ...

Thinking of swapping a 425 and 455 AWS and 2WS | Green ...

John Deere Maintenance Kit for 425 Lawn Tractor Mower (Serial Number Below  090419) with a Kawasaki Engine LG187 Filters Oil Spark Plugs

John Deere Maintenance Kit for 425 Lawn Tractor Mower (Serial Number Below 090419) with a Kawasaki Engine LG187 Filters Oil Spark Plugs

John Deere 425 Lawn & Garden Tractor -PC2351 WATER PUMP ...

John Deere 425 Lawn & Garden Tractor -PC2351 WATER PUMP ...

John Deere Parts Lookup -425 Lawn & Garden Tractor -PC2351

John Deere Parts Lookup -425 Lawn & Garden Tractor -PC2351

John Deere 425 Parts Diagrams

John Deere 425 Parts Diagrams

Dust Cap Colored Diagram - TractorByNet

Dust Cap Colored Diagram - TractorByNet

John Deere 425 Engine for sale | eBay

John Deere 425 Engine for sale | eBay

TractorData.com John Deere 425 tractor information

TractorData.com John Deere 425 tractor information

I have a JD 425 Garden Tractor with an electrical problem. I ...

I have a JD 425 Garden Tractor with an electrical problem. I ...

John Deere 425 Lawn & Garden Tractor -PC2351 Attachment,3 ...

John Deere 425 Lawn & Garden Tractor -PC2351 Attachment,3 ...

John Deere 445 Lawn & Garden Tractor -PC2351

John Deere 445 Lawn & Garden Tractor -PC2351

John Deere 425, 445, 455 Lawn & Garden Tractors TM1517 Technical Manual PDF

John Deere 425, 445, 455 Lawn & Garden Tractors TM1517 Technical Manual PDF

John Deere 425 , 445 and 455 Lawn and Garden Tractors ...

John Deere 425 , 445 and 455 Lawn and Garden Tractors ...

John Deere 425 Lawn & Garden Tractor -PC2351 Hood & Grill ...

John Deere 425 Lawn & Garden Tractor -PC2351 Hood & Grill ...

John Deere 425 Kawasaki Fd620 Engine Stator OEM Part for sale ...

John Deere 425 Kawasaki Fd620 Engine Stator OEM Part for sale ...

John Deere 445, 425 Engine Installation - Kawasaki FD620D

John Deere 445, 425 Engine Installation - Kawasaki FD620D

John Deere TM1517 Technical Manual - 425 445 455 Lawn Garden ...

John Deere TM1517 Technical Manual - 425 445 455 Lawn Garden ...

Seeking Wisdom- 425 carburetor | My Tractor Forum

Seeking Wisdom- 425 carburetor | My Tractor Forum

John Deere 425 Lawn & Garden Tractor -PC2351 Fuel Pump ...

John Deere 425 Lawn & Garden Tractor -PC2351 Fuel Pump ...

John Deere Click-N-Go Bracket Kit - BM20714

John Deere Click-N-Go Bracket Kit - BM20714

0 Response to "41 John Deere 425 Engine Diagram"

Post a Comment

Iklan Atas Artikel

Iklan Tengah Artikel 1

Iklan Tengah Artikel 2

Iklan Bawah Artikel